中軸事業
關於我們
最新消息
技術專欄
產品介紹
型號搜尋
聯絡我們
繁體中文
English
Tiếng Việt
繁體中文
English
Tiếng Việt
PRODUCTS
首頁
產品介紹
FAG
INA
Schaeffler
INA
KA.LFS52-M
End cover KA.LFS52-M
加入詢價
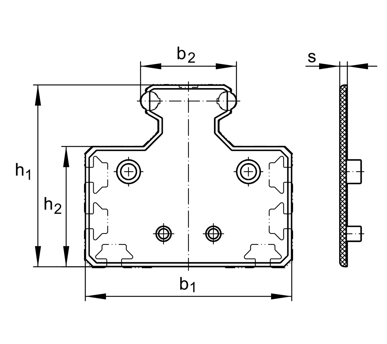
主要尺寸與性能資料
b
1
111.4
mm
b
2
51.6
mm
h
1
98
mm
h
2
64.8
mm
S
4
mm
≈m
15
g
重量
Related products
LFS52-M
Compatible with the following guide rail
您目前的產品型號
Size code
52
Version
M
加入詢價
上一項產品
回到列表
下一項產品
End cover KA.LFS52-M
已將您選擇的品項
加入詢價清單
非常感謝您!
選擇更多商品
瀏覽詢價清單