PRODUCTS


FAG
UCFA206-17
Take-up housing unit UCFA206-17
加入詢價
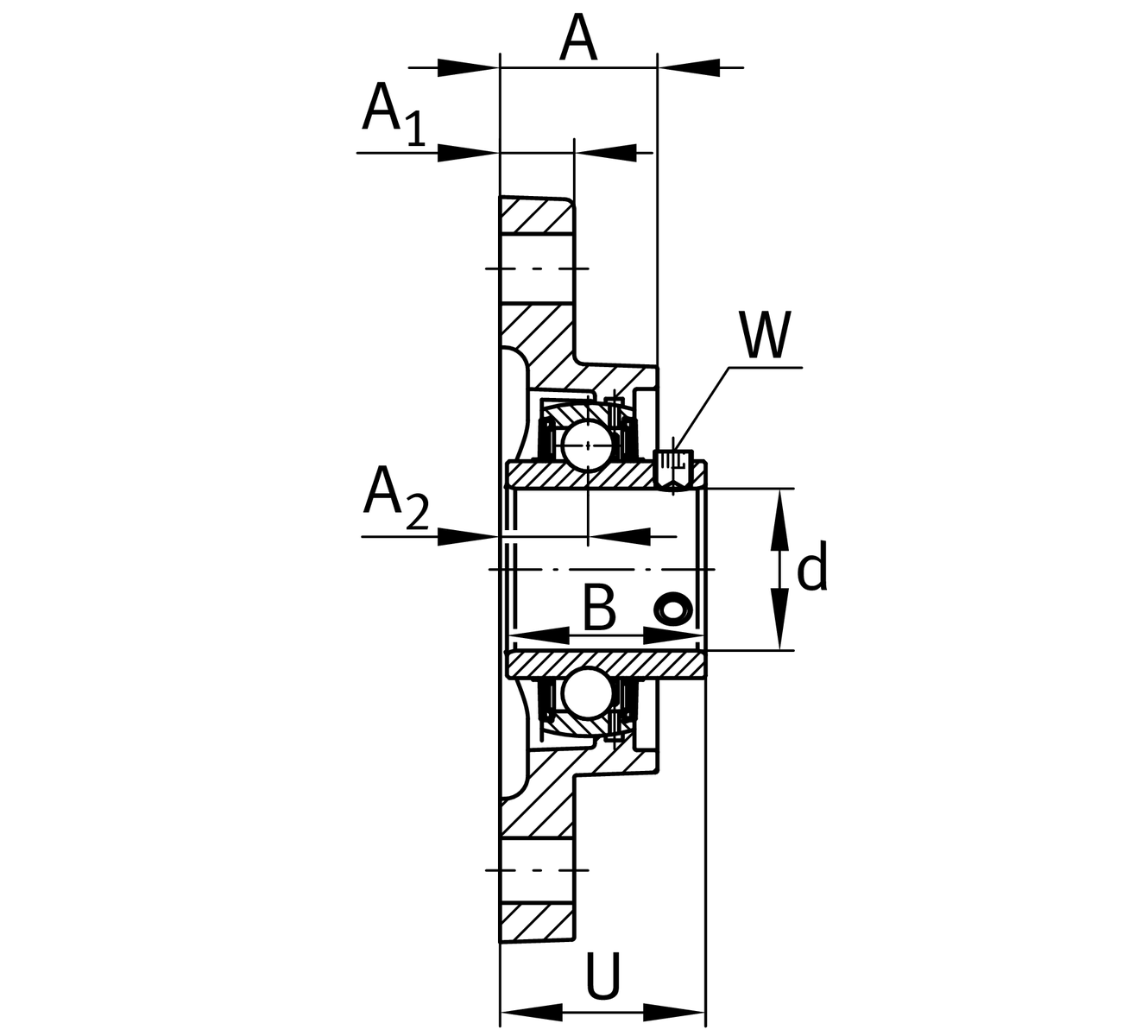
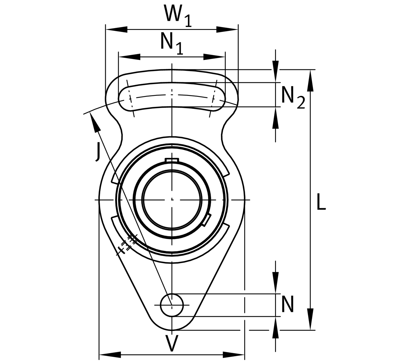
主要尺寸與性能資料
d
26.99 mm
內徑
L
144 mm
Length total
U
40.2 mm
總高度單位
≈m
0.94 kg
重量

安裝尺寸
N
12 mm
固定內徑
N1
58 mm
Length (slot)
N2
12 mm
Width (slot)
J
117 mm
固定內孔距離

尺寸
A1
14 mm
厚度 of flange
A2
18 mm
滾道距離
A
31 mm
外殼高度
V
80 mm
Shoulder diameter 軸承座
W
72 mm
Width 軸承座 slot side
Q
M6
用於潤滑的連接螺紋

附加資訊
FA206
軸承座
UC206-17
軸承型號

溫度範圍
Tmin
-20 °C
最低工作溫度
Tmax
120 °C
最高操作溫度

您目前的產品型號
MaterialGG灰鑄鐵
加入詢價