PRODUCTS
- 首頁
- 產品介紹
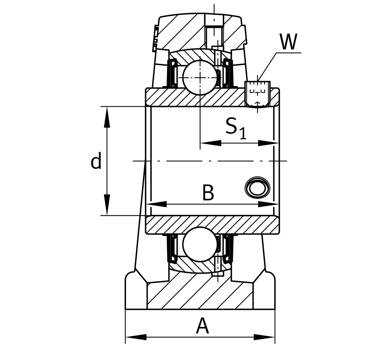
| d | 25 mm | 內徑 |
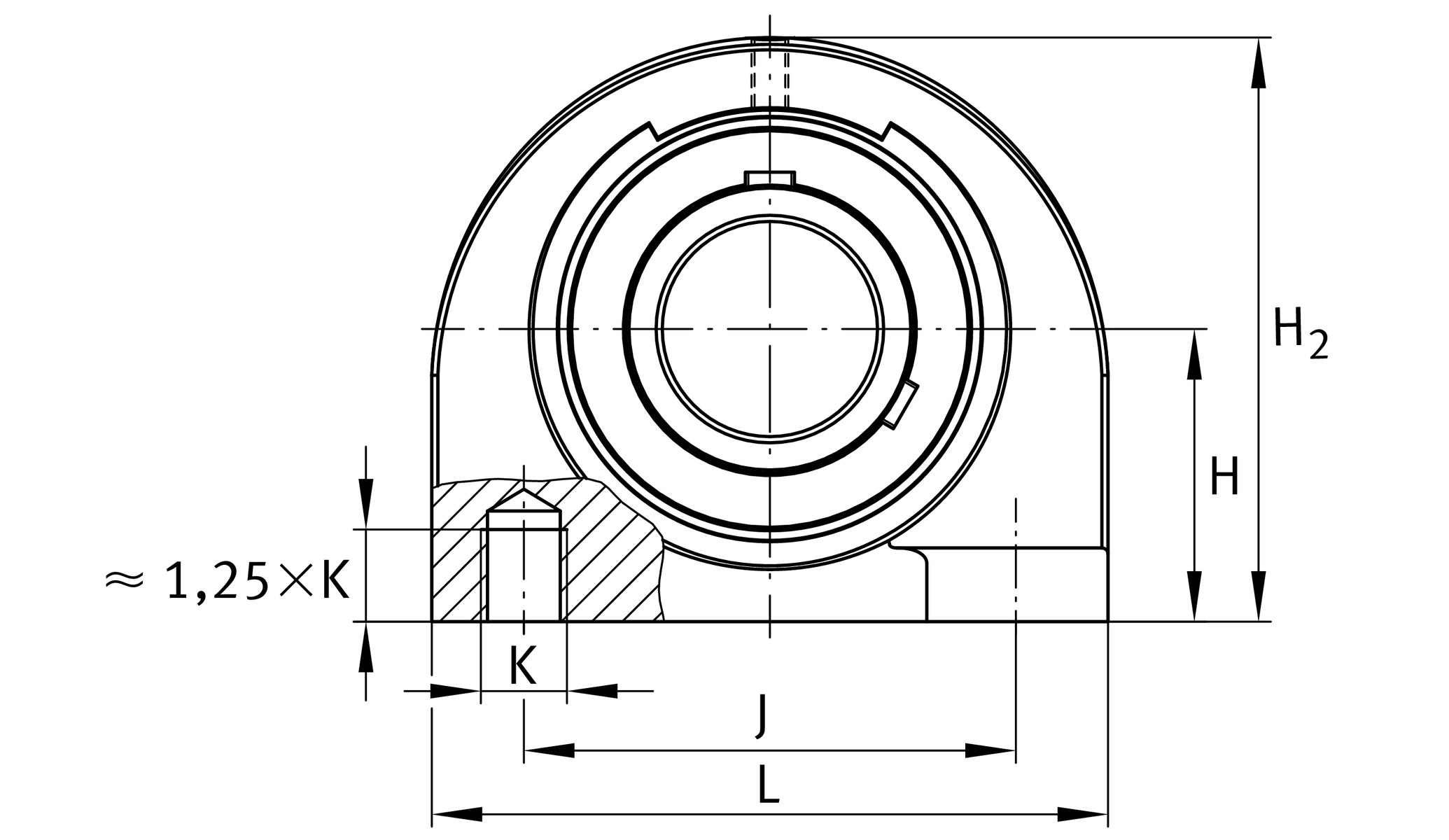
| L | 84 mm | Length total |
| H2 | 72 mm | 高度 |
| ≈m | 0.891 kg | 重量 |
| J | 56 mm | 固定內孔距離 |
| K | M10 | Thread 固定內徑 |
| H | 36.5 mm | Distance shaft axis |
| A | 38 mm | Width (base) |
| Q | M6 | 用於潤滑的連接螺紋 |
| B | 34.1 mm | Width of inner ring |
| S1 | 19.8 mm | Distance of raceway to locking collar |
PA205 | 軸承座 | |
UC205 | 軸承型號 |
| Tmin | -20 °C | 最低工作溫度 |
| Tmax | 120 °C | 最高操作溫度 |
| Material | GG | 灰鑄鐵 |
| 軸承座 clearance | J7 | Normal swivel torque |
| Dummy | GG | cast iron |