PRODUCTS
- 首頁
- 產品介紹
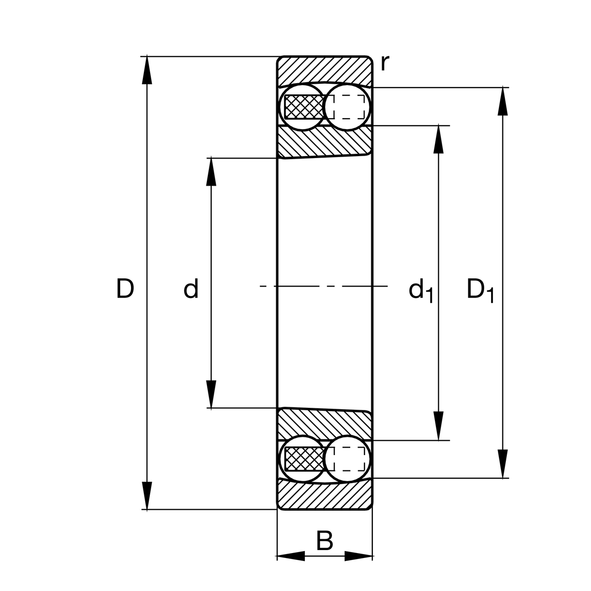
| d | 110 mm | 內徑 |
| D | 200 mm | 外徑 |
| B | 53 mm | 寬度 |
| Cr | 126,000 N | 基本額定動載荷,徑向 |
| C0r | 52,000 N | 基本額定靜態負荷,徑向 |
| Cur | 2,650 N | 疲勞負載極限,徑向 |
| nG | 5,000 1/min | 極限轉速 |
| nϑr | 4,700 1/min | 參考轉速 |
| ≈m | 6.94 kg | 重量 |
| da min | 122 mm | 軸肩最小直徑 |
| da max | 132 mm | Maximum 直徑軸肩 |
| Da max | 188 mm | 殼肩最大直徑 |
| db min | 118 mm | 套筒最小內腔直徑 |
| Ba min | 6 mm | 套筒最小空腔寬度 |
| ra max | 2.1 mm | 最大圓角半徑 |
| rmin | 2.1 mm | 最小倒角尺寸 |
| D1 | 174.1 mm | 外圈肩徑 |
| d1 | 136.9 mm | 內圈肩徑 |
| Tmin | -30 °C | 最低工作溫度 |
| Tmax | 150 °C | 最高操作溫度 |
| e | 0.28 | Fa/Fr對於差分的適用性的限制值。 X 和 Y 參數 |
| Y1 | 2.22 | 動態軸向負載係數 |
| Y2 | 3.44 | 動態軸向負載係數 |
| Y0 | 2.33 | 靜態軸向負荷係數 |
H322 | 緊定套 |
| Bore type | K | 錐度,錐度1:12 |
| Sealing | 沒有 | 未密封 |
| Cage | M | 黃銅實體保持架, ball guided |
| Tolerance class | PN | 正常(PN) |
| Lubricant | 沒有 | 軸承未潤滑 |
| Radial internal clearance | C3 (Group 3) | 內部間隙大於CN |