PRODUCTS
- 首頁
- 產品介紹
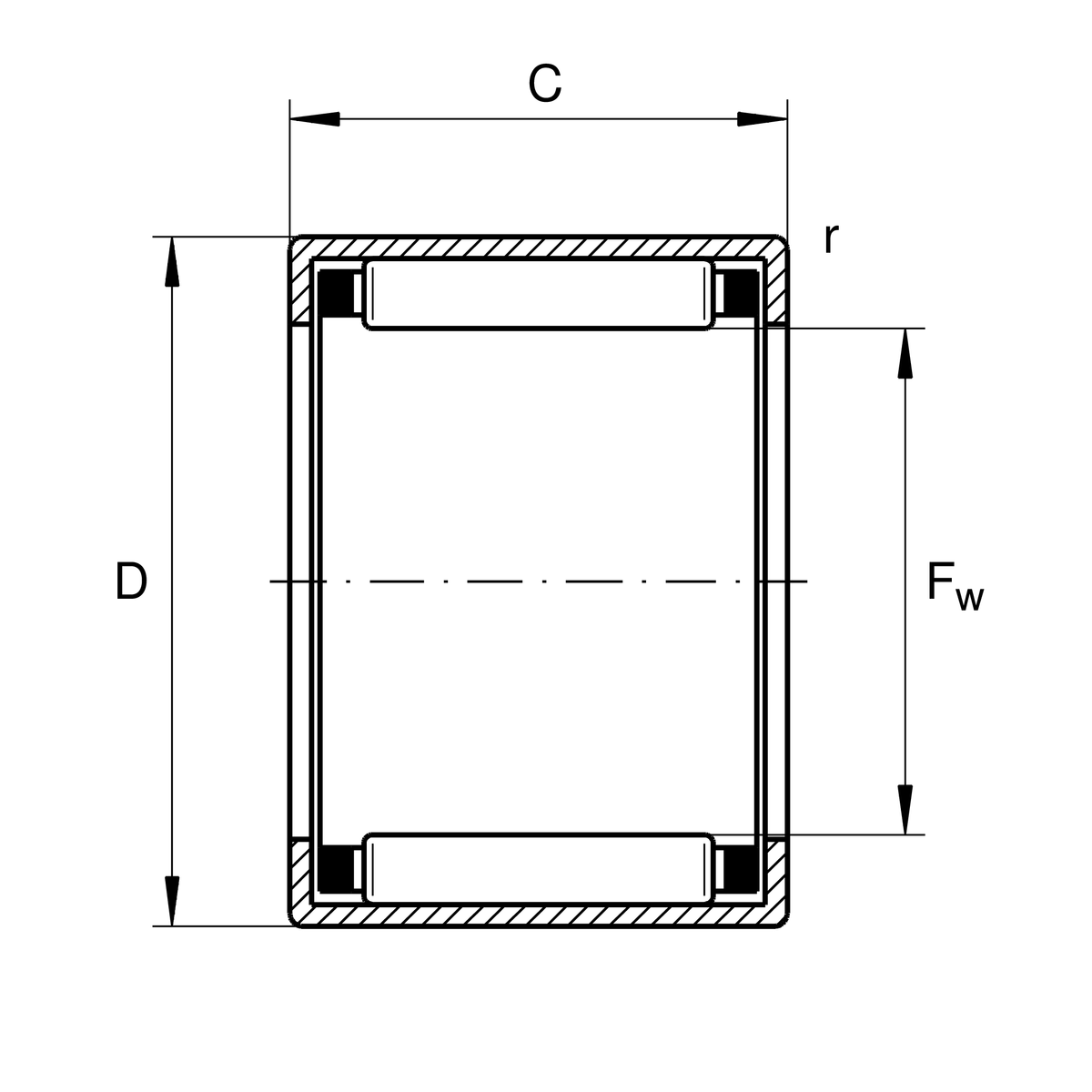
| Fw | 28 mm | 下輥直徑 |
| D | 35 mm | 外徑 |
| C | 16 mm | 寬度 |
| Cr | 16,400 N | 基本額定動載荷,徑向 |
| C0r | 26,500 N | 基本額定靜態負荷,徑向 |
| Cur | 3,500 N | 疲勞負載極限,徑向 |
| nG | 9,200 1/min | 極限轉速 |
| nG Grease | 5,500 1/min | 脂潤滑的極限轉度 |
| nϑr | 6,800 1/min | 參考轉速 |
| ≈m | 29.62 g | 重量 |
| C1 | 16 mm | 外圈寬度 |
| rmin | 0.8 mm | 最小倒角尺寸 |
| Tmin | -30 °C | 最低工作溫度 |
| Tmax | 140 °C | 最高操作溫度 |
SD28X35X4 | Sealing ring | |
G28X35X4 | Sealing ring 2 | |
IR22X28X17-XL | Suitable inner rings IR |
| Lubricant | L271 | Grease (L271/standart specific) |
| Lubrication hole | 沒有 | |
| Coating | 沒有 | |
| Sealing | 沒有 |