PRODUCTS
- 首頁
- 產品介紹
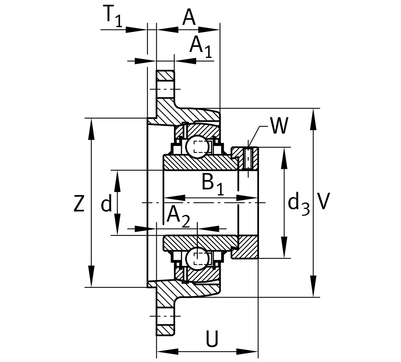
| d | 25 mm | 內徑 |
| L | 70 mm | 法蘭寬度 |
| H | 124 mm | Height flange |
| U | 46 mm | 總高度單位 |
| Cr | 14,900 N | 基本額定動載荷,徑向 |
| C0r | 7,800 N | 基本額定靜態負荷,徑向 |
| Cur | 370 N | 疲勞負載極限,徑向 |
| ≈m | 0.76 kg | 重量 |
| J | 99 mm | 固定內孔距離 |
| N | 11.5 mm | 固定內徑 |
| T1 | 3.5 mm | Height spigot |
| Z | 60 mm | Diameter spigot |
h8 | Diameter spigot clearance | |
| n | 2 | 螺絲孔數 |
| A | 28.5 mm | 外殼高度 |
| A1 | 12 mm | 厚度 of flange |
| A2 | 19 mm | 滾道距離 |
| B1 | 44.5 mm | 鎖環總寬度 |
| V | 70 mm | Shoulder diameter 軸承座 |
| Q | M6 | 用於潤滑的連接螺紋 |
| d3 | 37.5 mm | 外徑 eccentric locking collar |
GEHCJTZ05-GG | 軸承座 | |
GE25-XL-KRR-B | 軸承型號 |
| Tmin | -20 °C | 最低工作溫度 |
| Tmax | 100 °C | 最高操作溫度 |
| Material | GG | 灰鑄鐵 |