PRODUCTS
- 首頁
- 產品介紹
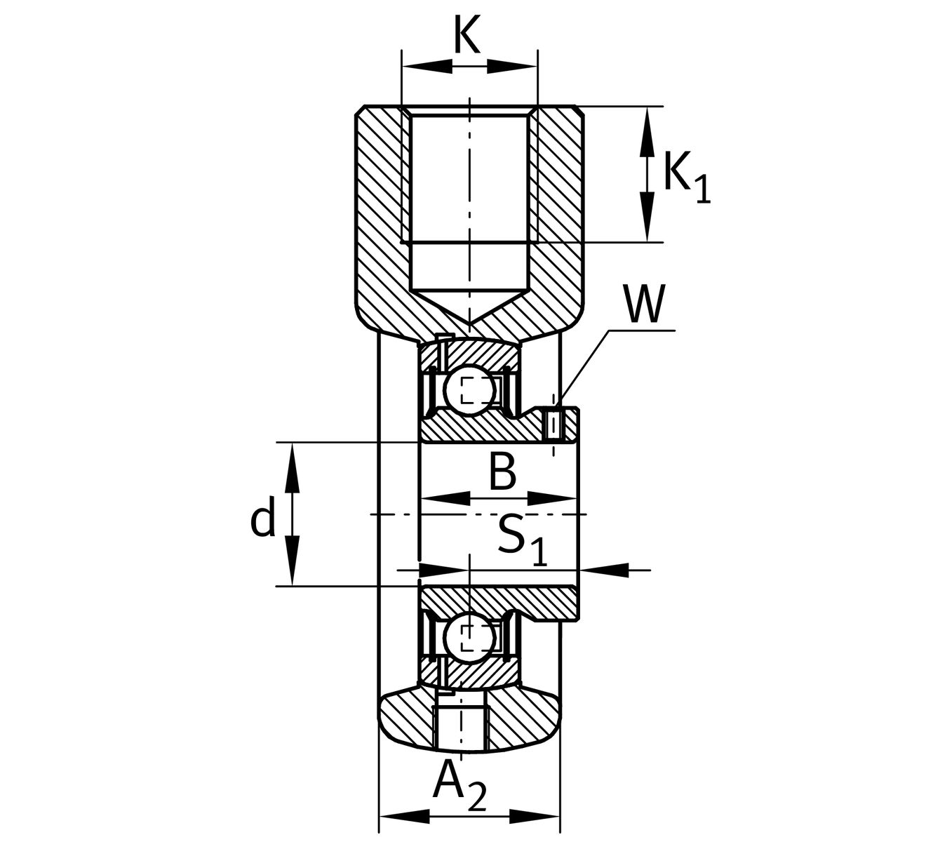
| d | 25 mm | 內徑 |
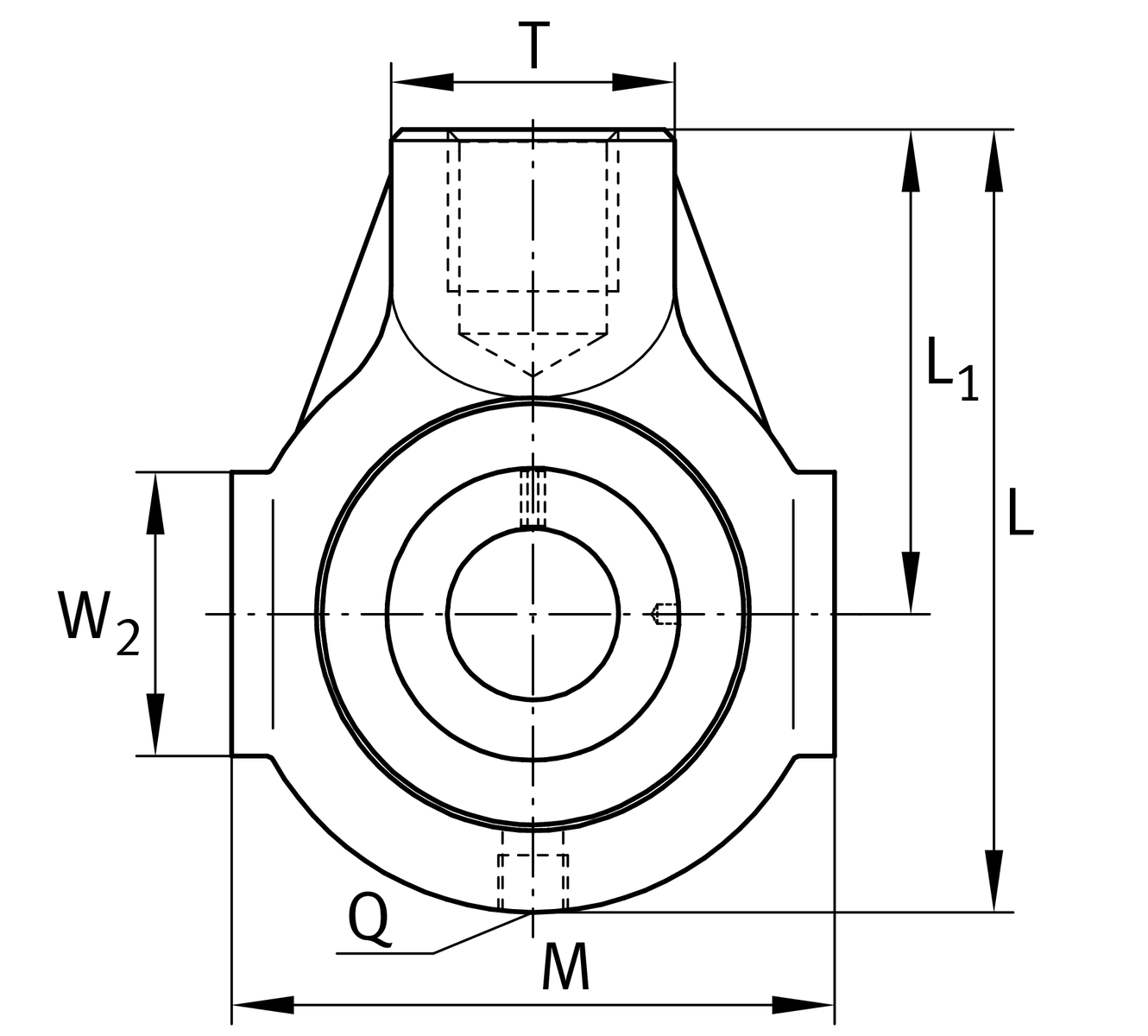
| L | 99 mm | Length total |
| M | 70 mm | 軸承座 total width |
| A2 | 28 mm | Width 軸承座 |
| ≈m | 0.66 kg | 重量 |
| K | M20 | Thread 固定內徑 |
| K1 | 22 mm | Thread depth |
| L1 | 64 mm | Distance shaft axis |
| T | 35 mm | 外殼高度 fixing side |
| W2 | 38 mm | Length of guidance face |
| Q | M6 | 用於潤滑的連接螺紋 |
HE05 | 軸承座 | |
GAY25-XL-NPP-B | 軸承型號 |
| Tmin | -20 °C | 最低工作溫度 |
| Tmax | 120 °C | 最高操作溫度 |
| Material | GG | 灰鑄鐵 |