PRODUCTS
- 首頁
- 產品介紹
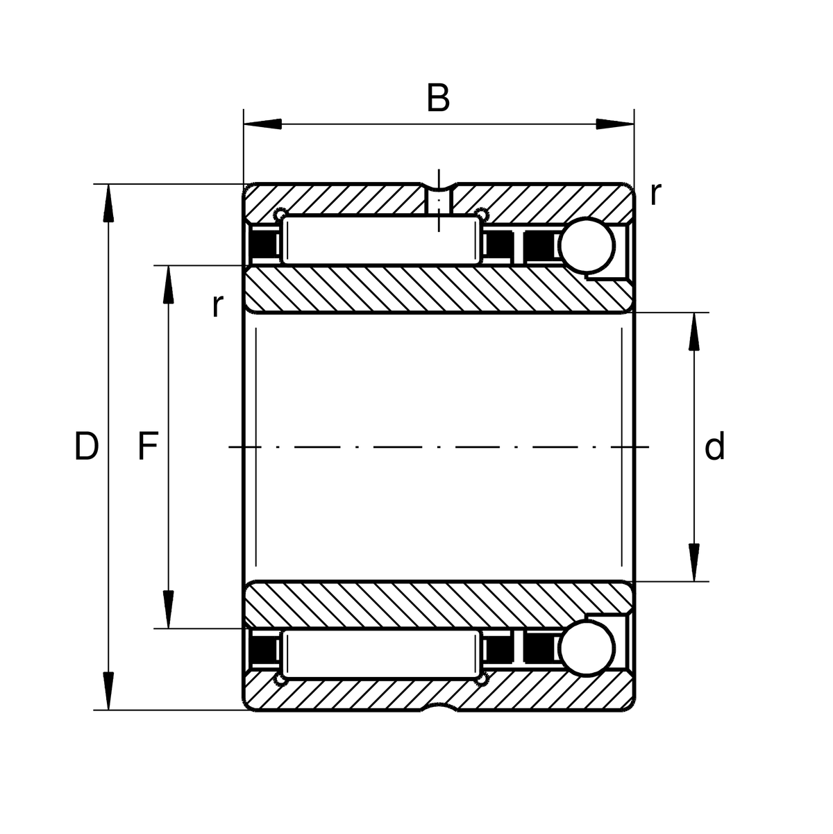
| d | 25 mm | 內徑 |
| D | 42 mm | 外徑 |
| B | 23 mm | 寬度 |
| Cr | 26,500 N | 基本額定動載荷,徑向 |
| C0r | 31,500 N | 基本額定靜態負荷,徑向 |
| Ca | 5,400 N | 基本額定動載荷,軸向 |
| C0a | 9,300 N | 基本額定靜態載荷,軸向 |
| Cur | 5,800 N | Fatigue limit load, radial |
| Cur | 5,800 N | 疲勞負載極限,徑向 |
| Cua | 420 N | 疲勞負荷極限,軸向 |
| nG | 14,600 1/min | 極限轉速 |
| nϑr | 12,000 1/min | 參考轉速 |
| ≈m | 120.98 g | 重量 |
| F | 30 mm | 內圈滾道直徑 |
| rmin | 0.3 mm | 最小倒角尺寸 |