PRODUCTS
- 首頁
- 產品介紹
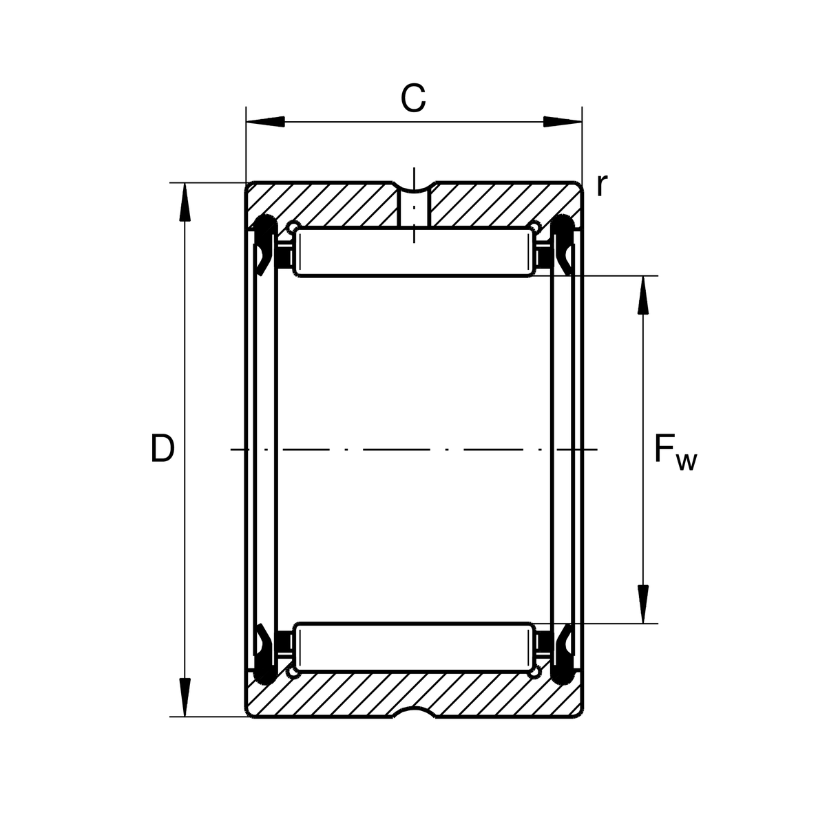
| Fw | 25 mm | 下輥直徑 |
| D | 37 mm | 外徑 |
| Cr | 19,500 N | 基本額定動載荷,徑向 |
| C0r | 19,900 N | 基本額定靜態負荷,徑向 |
| Cur | 3,800 N | 疲勞負載極限,徑向 |
| nG | 10,100 1/min | 極限轉速 |
| nG Grease | 10,100 1/min | 脂潤滑的極限轉度 |
| ≈m | 56 g | 重量 |
| rmin | 0.3 mm | 最小倒角尺寸 |
| C | 17 mm | 外圈寬度 |
| Tmin | -20 °C | 最低工作溫度 |
| Tmax | 100 °C | 最高操作溫度 |
| Cage | Standard | Standard |
| Radial internal clearance | CN (Group N) | 正常內部間隙 |
| Lubrication hole | with | with |
| Coating | RR | Protected against corrosion by Corrotect special coating |
| Sealing | 2RSR | 接觸式密封s on both sides |
| Special features | 沒有 | |
| Number of rolling element rows | 1 | 單列設計 |