PRODUCTS
- 首頁
- 產品介紹
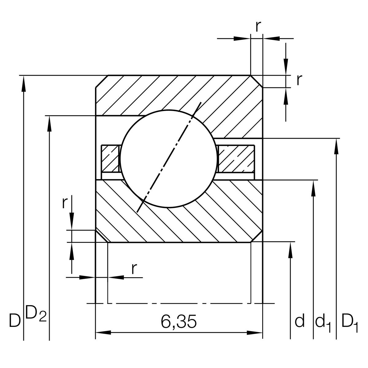
| d | 101.6 mm | 內徑 |
| D | 114.3 mm | 外徑 |
| B | 6.35 mm | 寬度 |
| Cr | 4,150 N | 基本額定動載荷,徑向 |
| C0r | 6,000 N | 基本額定靜態負荷,徑向 |
| nG | 5,400 1/min | 極限轉速 |
| ≈m | 90 g | 重量 |
| rmin | 0.6 mm | 最小倒角尺寸 |
| d1 | 106.3 mm | 內圈肩徑 |
| D1 | 109.6 mm | 外圈寬側面台肩直徑 |
| D2 | 110.9 mm | Shoulder diameter on outer ring small side face |
| α | 30 ° | 接觸角 |
| Tmin | -30 °C | 最低工作溫度 |
| Tmax | 120 °C | 最高操作溫度 |
| Logistical code | HLE | - |
| Sealing | 沒有 | 未密封 |
| Cage | YP | 板金黃銅保持架 |
| Tolerance class | PL1 | Class PL1, Normal |
| Lubricant | 沒有 | 軸承未潤滑 |