PRODUCTS
- 首頁
- 產品介紹
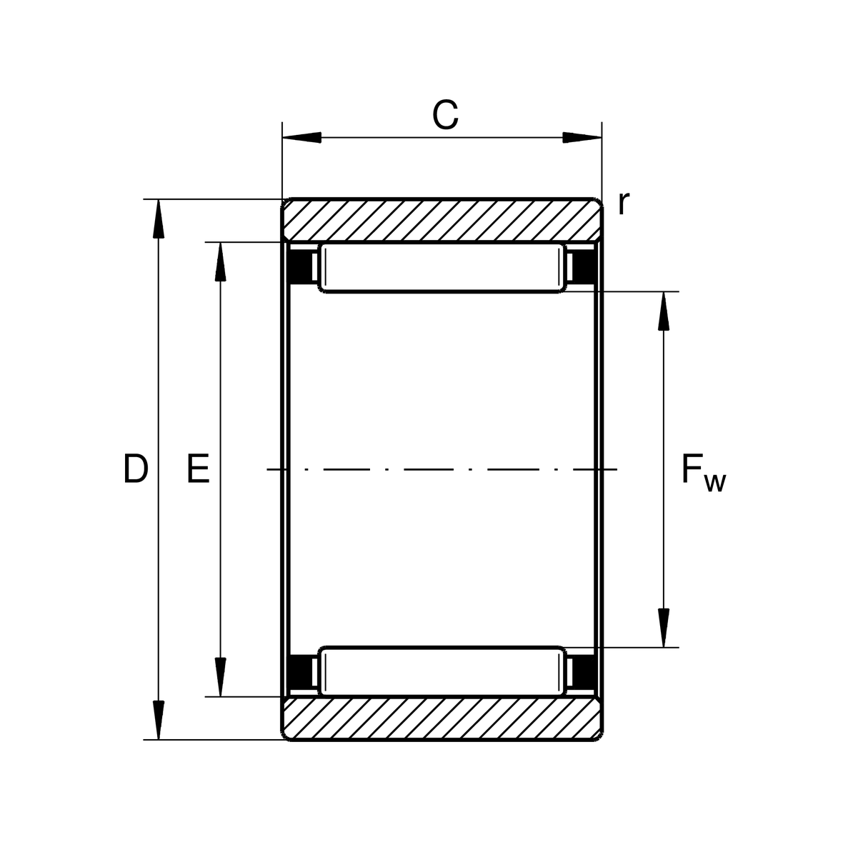
| Fw | 100 mm | 下輥直徑 |
| D | 120 mm | 外徑 |
| C | 30 mm | 外圈寬度 |
| Cr | 80,000 N | 基本額定動載荷,徑向 |
| C0r | 188,000 N | 基本額定靜態負荷,徑向 |
| Cur | 32,500 N | 疲勞負載極限,徑向 |
| nG | 4,700 1/min | 極限轉速 |
| nϑr | 3,150 1/min | 參考轉速 |
| ≈m | 0.694 kg | 重量 |
| Db | 101 mm | Shoulder diameter axial guidance NK/軸承座 |
| db | 107.2 mm | Shoulder diameter axial guidance NK/shaft |
| Da | 109 mm | 外圈肩徑 |
| ra max | 1 mm | 最大凹槽半徑 |
| E | 108 mm | 外圈滾道直徑 |
| rmin | 1 mm | 最小倒角尺寸 |
| Tmin | -30 °C | 最低工作溫度 |
| Tmax | 120 °C | 最高操作溫度 |
| Cage | Standard |