PRODUCTS
- 首頁
- 產品介紹
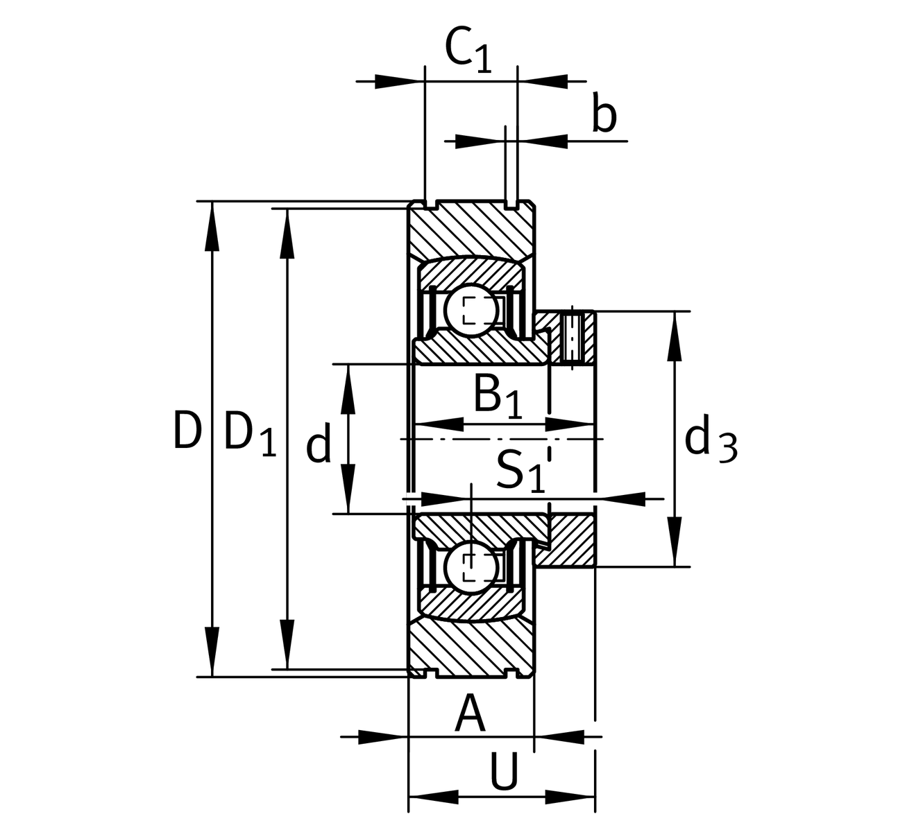
| d | 25 mm | 內徑 |
| D | 62 mm | 外徑 |
| U | 32 mm | 寬度 |
| Cr | 14,000 N | 基本額定動載荷,徑向 |
| C0r | 7,800 N | 基本額定靜態負荷,徑向 |
| Cur | 410 N | 疲勞負載極限,徑向 |
| ≈m | 0.31 kg | 重量 |
| A | 17 mm | 外圈寬度 |
| C1 | 11.2 mm | 環槽距離 |
0.2 mm | 上距環槽公差 | |
| b | 1.9 mm | 固定槽寬度 |
0.3 mm | Nut 寬度上限公差 | |
| D1 | 59.6 mm | 溝槽直徑 |
-0.5 mm | Nut diameter 較低的公差 |
| f0 | 13.8 | 計算參數 |
RAE25-XL-NPP-B | 軸承型號 |
| Manufacturing instruction | SML | Low swivel torque |