PRODUCTS
- 首頁
- 產品介紹
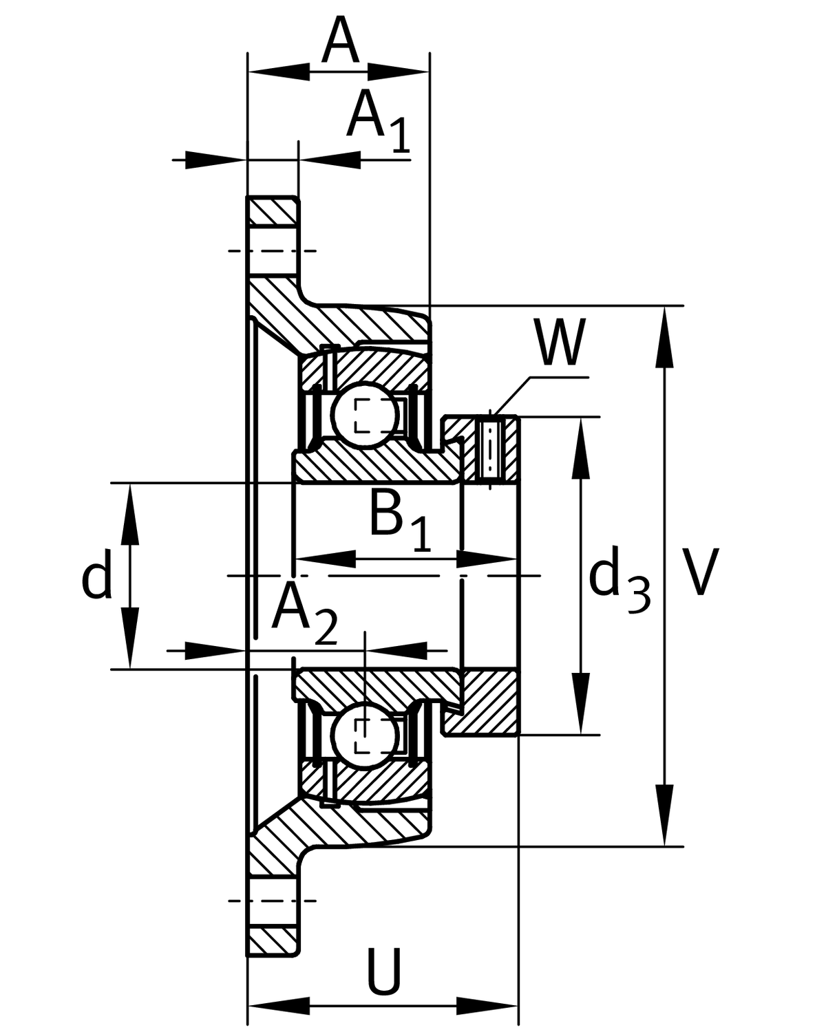
| d | 25 mm | 內徑 |
| L | 70 mm | 法蘭寬度 |
| H | 130 mm | Height flange |
| U | 40.5 mm | 總高度單位 |
| Cr | 13,700 N | 基本額定動載荷,徑向 |
| C0r | 7,100 N | 基本額定靜態負荷,徑向 |
| ≈m | 0.33 kg | 重量 |
| J | 99 mm | 固定內孔距離 |
| N | 11 mm | 固定內徑 |
| n | 2 | 螺絲孔數 |
| A | 29.1 mm | 外殼高度 |
| A1 | 13.5 mm | 厚度 of flange |
| A2 | 17 mm | 滾道距離 |
| V | 70 mm | Shoulder diameter 軸承座 |
| Q | 1/4"-28 UNF | 用於潤滑的連接螺紋 |
| d3 | 37.5 mm | 外徑 locking collar |
1 | 外殼數量 | |
CJT05-TV | 軸承座 | |
GRAE25-NPP-B-FA107/125.5 | 軸承型號 | |
KASK05 | Protecting cap |
| Tmin | -35 °C | 最低工作溫度 |
| Tmax | 100 °C | 最高操作溫度 |
| Material | TV | Plastic |
| Manufacturing instruction | FA125.5 | Bearing with Corrotect coating |