PRODUCTS
- 首頁
- 產品介紹
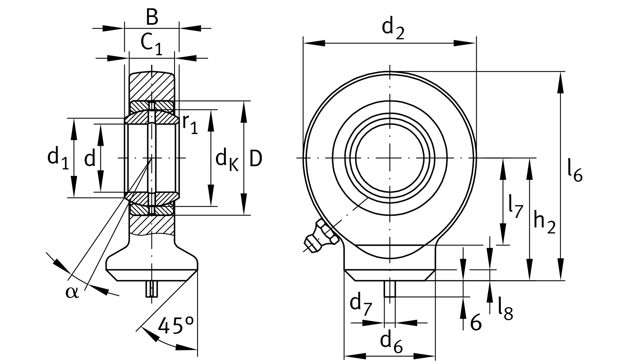
| Cr | 48,300 N | 基本額定動載荷,徑向 |
| C0r | 70,800 N | 基本額定靜態負荷,徑向 |
| d | 25 mm | 內徑 bearing |
| d2 | 64 mm | 外眼徑 |
| l6 | 77 mm | 總長度 welding head |
| D | 42 mm | 外徑 bearing |
| B | 20 mm | 內圈寬度, |
| ≈m | 0.435 kg | 重量 |
| α | 7 ° | 傾斜角度 |
| C1 | 17 mm | 桿端寬度 |
| dK | 35.5 mm | 球直徑 |
| d 6 | 33.5 mm | Welding 柄徑 |
| d7 | 4 mm | Centering pin diameter |
| h2 | 45 mm | Shank Length Welding Head |
| l7 | 32 mm | 軸心鑽孔起始距離 |
| l8 | 4 mm | Chamfer |
| dUT | -0.01 mm | 內徑 bearing, 較低的公差 |
| dOT | 0 mm | 內徑 bearing, 公差上限 |
| BUT | -0.12 mm | 內圈寬度, 較低的公差 |
| BOT | 0 mm | 內圈寬度, 公差上限 |
| Grmax | 0.1 mm | 最大徑向間隙 |
| Grmin | 0.037 mm | 徑向間隙,最小 |
| Gr | 0,037 - 0,1 | 徑向間隙 |
| r1smin | 0.6 mm | 邊緣間距 |
| d1 | 29.3 mm | 外法蘭直徑 內圈 |
| Tmin | -60 °C | 最低工作溫度 |
| Tmax | 200 °C | 最高操作溫度 |