PRODUCTS


INA
GIR25-UK-2RS
Rod end GIR25-UK-2RS
加入詢價
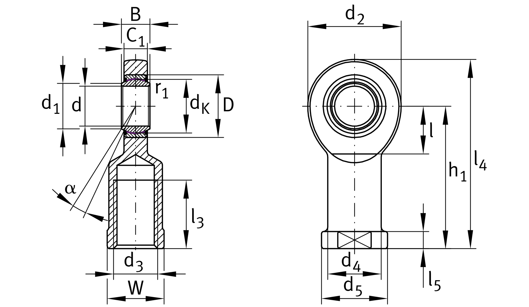
主要尺寸與性能資料
Cr
128,000 N
基本額定動載荷,徑向
C0r
105,000 N
基本額定靜態負荷,徑向
d
25 mm
內徑 bearing
d2
64 mm
外眼徑
l4
126 mm
內螺紋頭總長度
≈m
0.65 kg
重量

尺寸
C1
17 mm
桿端寬度
D
42 mm
外徑 bearing
B
20 mm
內圈寬度
dK
35.5 mm
球直徑
d3
M24x2
螺紋尺寸
d4
33.5 mm
柄徑
d5
42 mm
柄直徑,大
h1
94 mm
柄長 內螺紋頭
α
7 °
傾斜角度
l3
48 mm
螺紋長度 內螺紋
l5
12 mm
桿端柄長度
l7
32 mm
軸心鑽孔起始距離
W
36 mm
平面寬度
dUT
-0.01 mm
內徑 bearing, 較低的公差
dOT
0 mm
內徑 bearing, 公差上限
BUT
-0.12 mm
內圈寬度, 較低的公差
BOT
0 mm
內圈寬度, 公差上限
Gr
0 - 0,05
徑向間隙
Grmin
0 mm
徑向間隙,最小
Grmax
0.05 mm
最大徑向間隙

安裝尺寸
r1smin
0.6 mm
邊緣間距
d1
29.3 mm
外法蘭直徑 內圈

溫度範圍
Tmin
-30 °C
最低工作溫度
Tmax
130 °C
最高操作溫度

您目前的產品型號
Sealing2RS兩側唇形密封
加入詢價