PRODUCTS
- 首頁
- 產品介紹
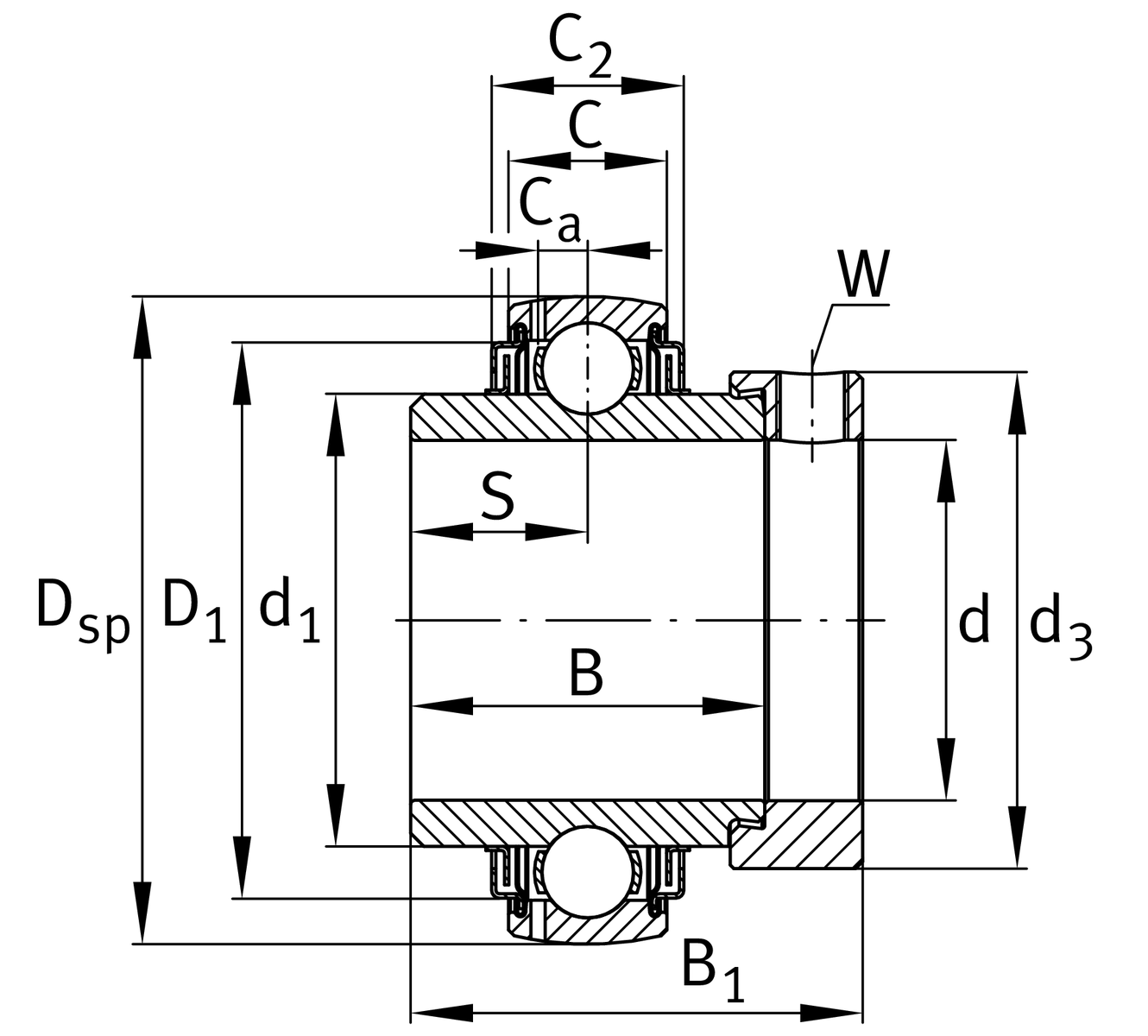
| d | 25 mm | 內徑 |
| DSP | 52 mm | 外徑 |
| B | 34.9 mm | 寬度 |
| Cur | 370 N | 疲勞負載極限,徑向 |
| B1 | 44.5 mm | 鎖環總寬度 |
| Cr | 14,000 N | 基本額定動載荷,徑向 |
| C0r | 7,800 N | 基本額定靜態負荷,徑向 |
| ≈m | 0.25 kg | 重量 |
| C | 15 mm | 外圈寬度 |
| C2 | 20.2 mm | 封口總寬度 |
| S | 17.5 mm | 滾道距離 |
| d1 | 33.8 mm | 內圈擋邊直徑 |
| D1 | 42.5 mm | 外徑密封 |
| Ca | 4.1 mm | 至潤滑孔距離 |
| d3 | 37.5 mm | 鎖緊環/鎖緊螺帽外徑 |
| W | 3 mm | 平面寬度 |
| f0 | 13.8 | 計算參數 |
| Sealing | KLL | 兩側迷宮式密封 |
| Shape of outer surface | B |