PRODUCTS
- 首頁
- 產品介紹
| d | 140 mm | 內徑 |
| D | 240 mm | 外徑 |
| T | 60 mm | 高度 |
| Ca | 1,010,000 N | 基本額定動載荷,軸向 |
| C0a | 2,900,000 N | 基本額定靜態載荷,軸向 |
| Cua | 365,000 N | 疲勞負荷極限,軸向 |
| nG | 2,900 1/min | 極限轉速 |
| nϑr | 1,490 1/min | 參考轉速 |
| ≈m | 9.98 kg | 重量 |
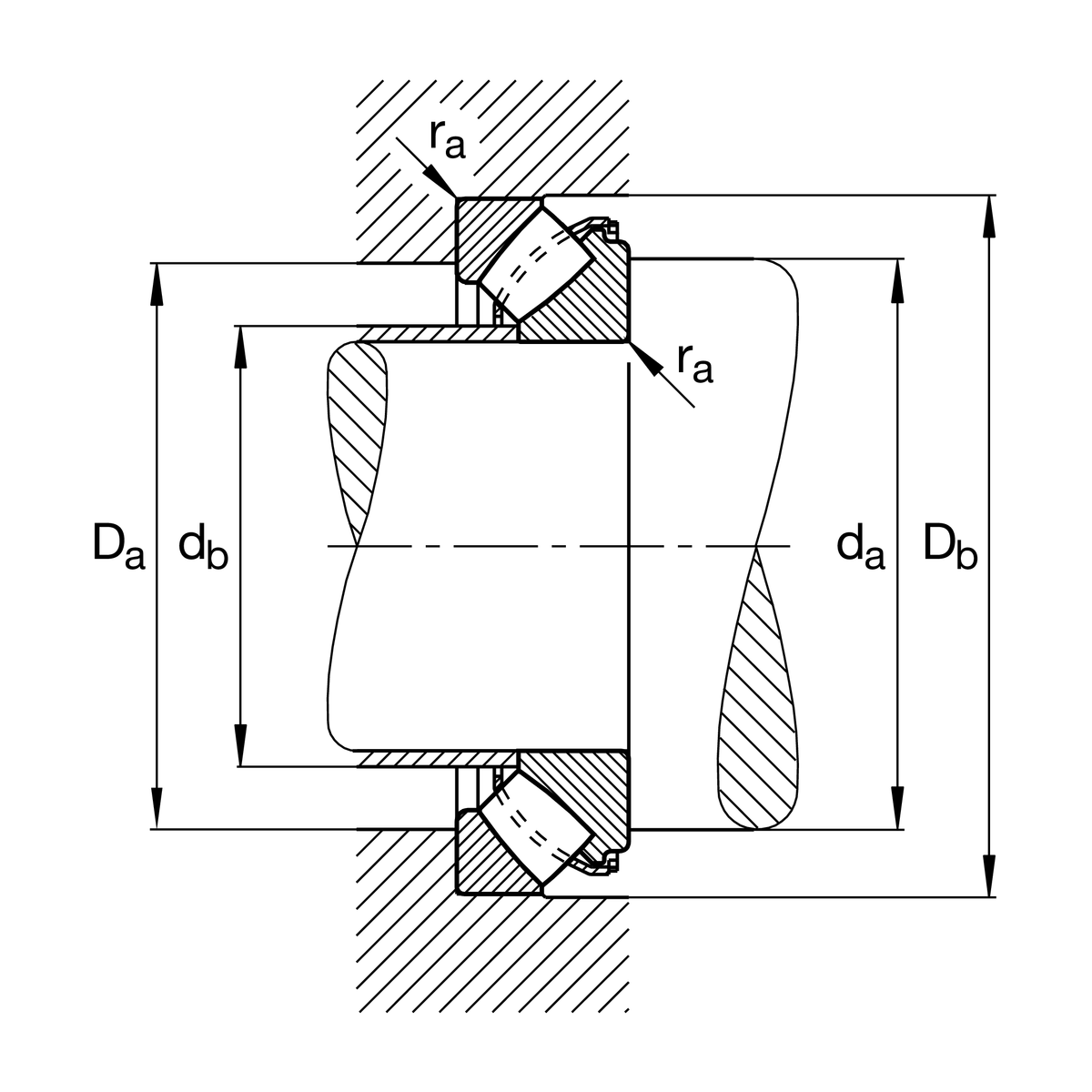
| da min | 190 mm | 軸肩最小直徑 |
| Da max | 208 mm | 殼肩最大直徑 |
| Db min | 244 mm | 外殼最小孔徑 |
| db max | 154 mm | 套筒最大距離 |
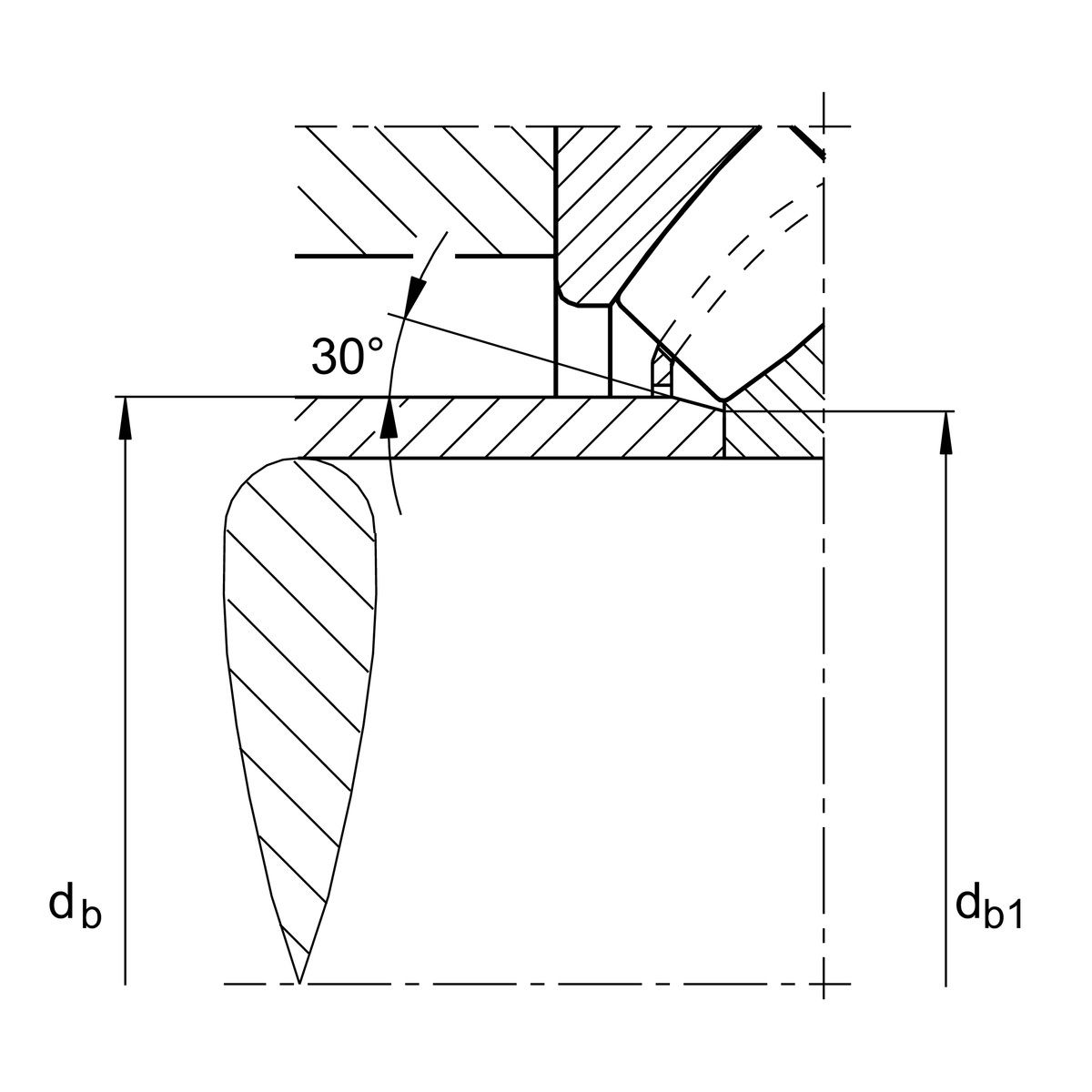
| db1 max | 149 mm | Maximum champfer diameter of distance sleeve |
| ra max | 2.1 mm | 最大凹槽半徑 |
30 ° | Angle of champfer of the distance sleeve |
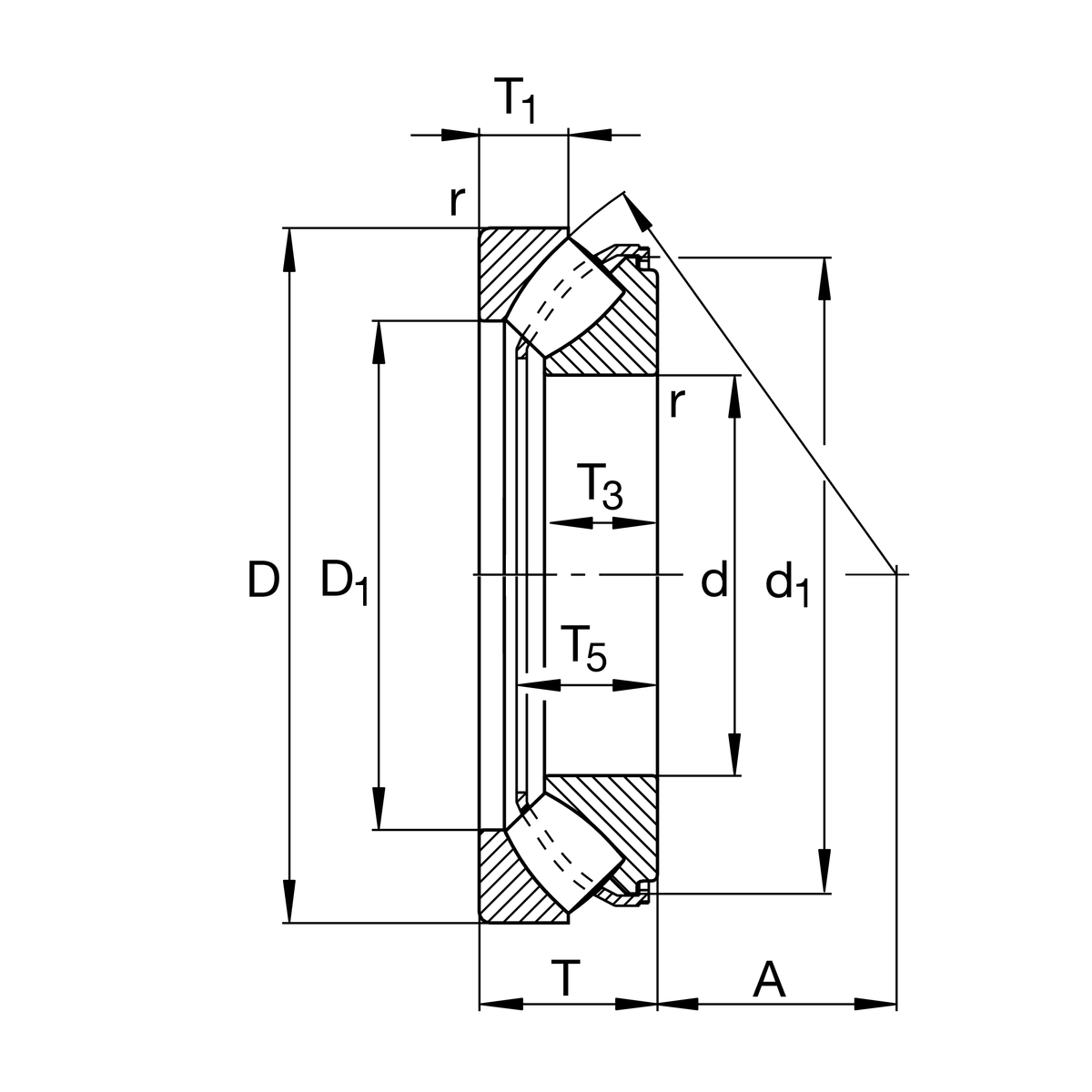
| D1 | 177 mm | 外殼墊圈孔徑 |
| d1 | 220.6 mm | 軸墊圈裂口直徑 |
| rmin | 2.1 mm | 最小倒角尺寸 |
| T1 | 30 mm | 外殼墊圈高度 |
| T3 | 38.5 mm | 軸墊圈高度 |
| T5 | 53.5 mm | 軸墊圈距離-保持架 |
| A | 82 mm | 中心點距離 |
| Tmin | -30 °C | 最低工作溫度 |
| Tmax | 200 °C | 最高操作溫度 |
| Cage | JP | 金屬板保持架 |
| Locating feature, shaft washer | N1 | Locating feature, bearing 軸承座 washer |
| Handling thread holes | 沒有 | |
| Heat treatment | Standard | |
| Constricted width and inclination variation | Standard | |
| Test certificate | 沒有 |