PRODUCTS
- 首頁
- 產品介紹
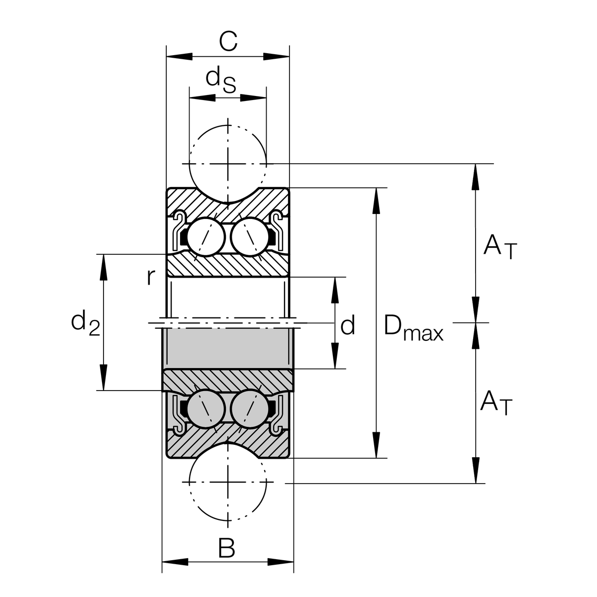
| d | 25 mm | |
| Dmax | 72 mm | |
| B | 25.8 mm | |
| ≈m | 0.381 kg | 重量 |
| AT | 43.5 mm | |
| C | 23.8 mm | |
| Da | 65.35 mm | Diameter of rolling |
| ds | 25 mm | |
| rmin | 1 mm |
| Cr w | 22,700 N | Effective dynamic load rating as track roller (radial) |
| C0r w | 16,100 N | Effective static load rating as track roller (radial) |
| Cur w | 850 N | Limit of fatigue load |
| Fr per | 18,800 N | Permissible dynamic limit load |
| F0r per | 32,000 N | Permissible static limit load |
| LFE/LFZ | siehe Katalog: LF1 | Possible roller-pin combination |
| Size code | 5206 | |
| Seal | 2RS | double-sided sliding seal |
| Coating | RB | rustproof design |