PRODUCTS
- 首頁
- 產品介紹
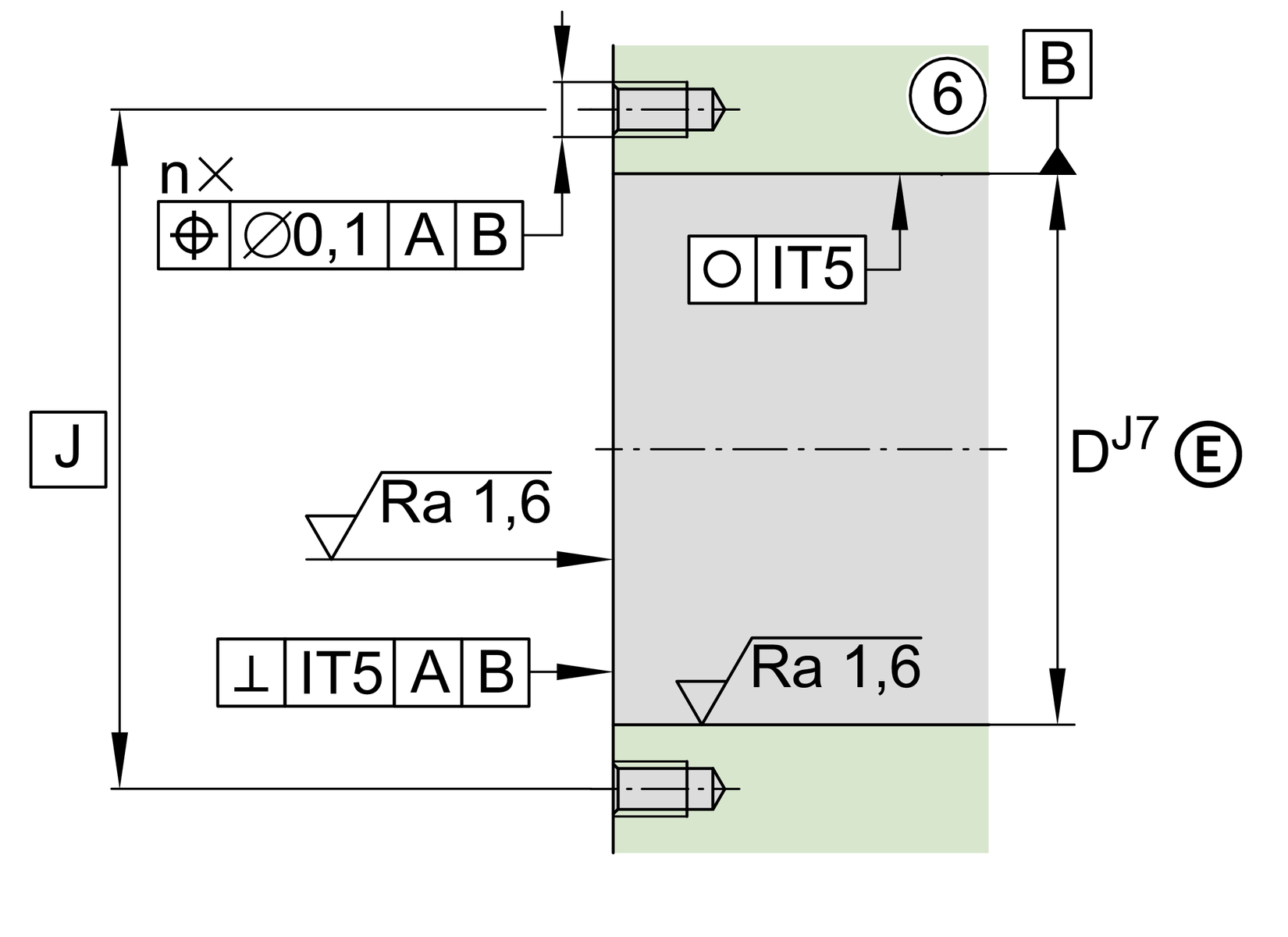
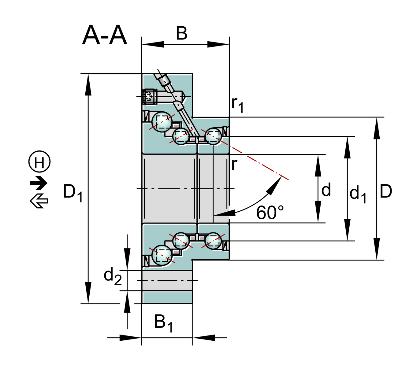
| d | 25 mm | 內徑 |
0 mm | 內徑公差上限 | |
-0.01 mm | 內徑公差下限 | |
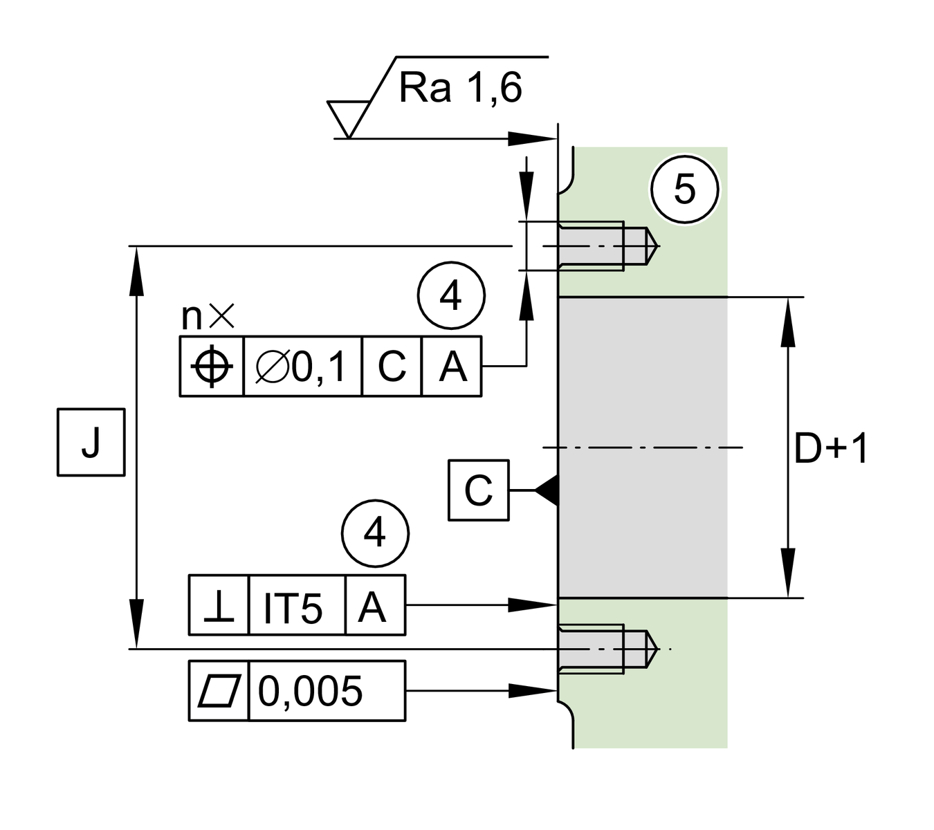
| D | 57 mm | 外徑 |
0 mm | 外徑,公差上限 | |
-0.013 mm | 外徑公差下限 | |
| B | 38 mm | 寬度 |
0 mm | 寬度上限公差 | |
-0.25 mm | 寬度下限公差 | |
| Ca | 53,000 N | 基本額定動載荷,軸向 HL |
| Ca | 27,500 N | 基本額定動載荷,軸向 |
| C0a | 144,000 N | 基本額定靜態載荷,軸向 HL |
| C0a | 55,000 N | 基本額定靜態載荷,軸向 |
| Cua | 3,950 N | 疲勞負荷極限,軸向 HL |
| Cua | 2,450 N | 疲勞負荷極限,軸向 |
| nG Grease | 4,400 1/min | 脂潤滑的極限轉度 |
| nϑ | 2,000 1/min | Thermally permissible speed |
| ≈m | 0.907 kg | 重量 |
| da min | 32 mm | 軸肩最小直徑 |
| da max | 48 mm | 軸肩最大直徑 |
M8 | Fixing scresw DIN EN ISO 4762 10.9 (not included) | |
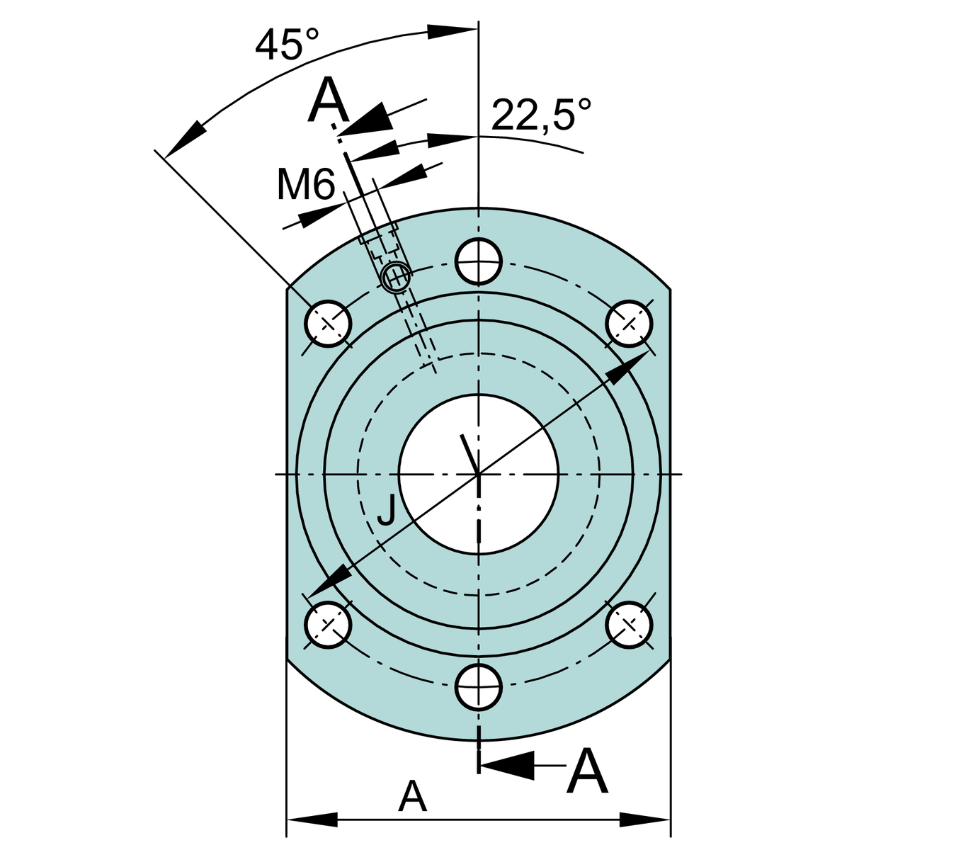
| n | 6 | Number of screws |
| d1 | 40.5 mm | 內圈擋邊直徑 |
| D1 | 90 mm | Flange diameter |
| rmin | 0.3 mm | 最小倒角尺寸 |
| r1 min | 0.6 mm | 最小倒角尺寸 1 |
| B1 | 22 mm | 厚度 of flange |
| d2 | 8.8 mm | Fixing boring diameter |
| J | 75 mm | Pitch circle diameter (holes) |
| A | 70 mm | 法蘭寬度 |
| Tmin | -30 °C | 最低工作溫度 |
| Tmax | 120 °C | 最高操作溫度 |
| MRL | 0.6 Nm | Bearing friction torque |
| caL | 850 N/µm | 軸向剛性 |
| caL | 1,200 N/µm | 軸向剛性 (HL) |
| ckL | 370 Nm/mrad | Tilting stiffness |
5 µm | 軸向跳動 | |
| Mm | 1.12 kg*cm2 | 質量慣性矩 |
ZMA25/45 | 推薦用於徑向鎖定的 INA 精密鎖緊螺母 1,2 | |
| (3) r | ZM30 | 推薦用於徑向鎖定的 INA 精密鎖緊螺母 3 |
| (1), (2) r | AM25 | 推薦用於軸向鎖定的 INA 精密鎖緊螺母 1,2 |
| MA | 25 Nm | 擰緊扭力螺母 |
| (1), (2) a | 9,670 N | 所需的鎖緊螺帽軸向力 1 |
| Sealing | 2RS | 兩側唇部接觸式密封 |