PRODUCTS
- 首頁
- 產品介紹
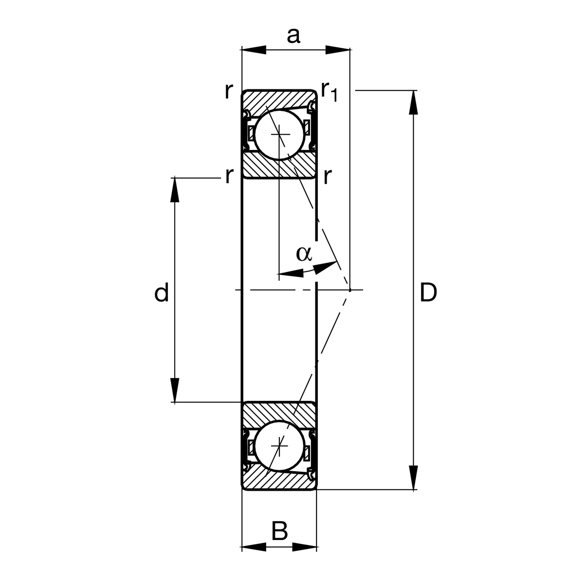
| d | 25 mm | 內徑 |
| D | 42 mm | 外徑 |
| B | 9 mm | 寬度 |
| Cr | 7,600 N | 基本額定動載荷,徑向 |
| C0r | 3,600 N | 基本額定靜態負荷,徑向 |
| Cur | 380 N | 疲勞負載極限,徑向 |
| nG Grease | 32,000 1/min | 脂潤滑的極限轉度 |
| ≈m | 0.043 kg | 重量 |
| da | 29 mm | 直徑軸肩 |
| da | h12 | 直徑軸肩間隙 |
| Da | 38.5 mm | 外圈肩徑 |
| Da | H12 | 軸肩直徑 外圈游隙 |
| ra max | 0.3 mm | 最大凹槽半徑 |
| ra1 max | 0.15 mm | 最大凹槽半徑 |
| a | 12.3 mm | 壓力錐頂點之間的距離 |
| rmin | 0.3 mm | 最小倒角尺寸 |
| r1 min | 0.3 mm | 最小倒角尺寸 |
| α | 25 ° | 接觸角 |
| Tmin | -30 °C | 最低工作溫度 |
| Tmax | 80 °C | 最高操作溫度 |
| FV L | 41 N | 預壓力 輕 |
| FV M | 191 N | 預壓力 中 |
| FV H | 432 N | 預壓力 重 |
| KaE L | 115 N | 提升力 輕 |
| KaE M | 566 N | 提升力 中 |
| KaE H | 1,335 N | 提升力 重 |
| ca L | 54 N/µm | 軸向剛性 輕 |
| ca M | 97 N/µm | 軸向剛性 中等 |
| ca H | 137 N/µm | 軸向剛性 重 |
| 接觸角 | E | 接觸角 25° |
| Lubricant | Standard | |
| Sealing | 2RSD | 兩側非接觸式密封,「終生 」潤滑 |
| Outer shape | Standard | |
| Cage | T | 積層纖維保持架 |
| Tolerance class | P4S | 公差等級 P4S,FAG 標準優於 P4,符合 DIN 620 標準 |
| Arrangement bearing set | U | 單軸承 |
| Preload | L | 預壓力 輕 |