PRODUCTS
- 首頁
- 產品介紹
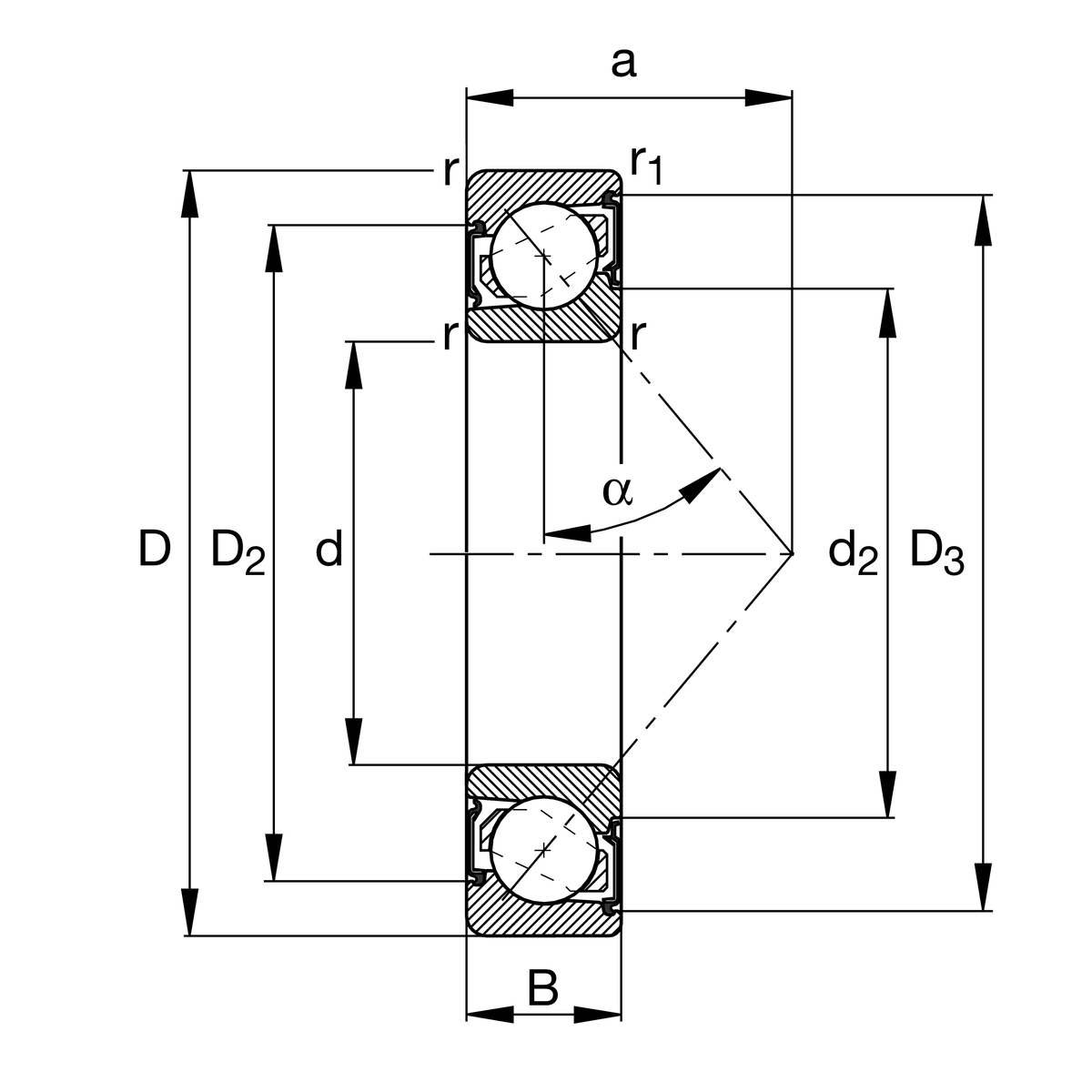
| d | 25 mm | 內徑 |
| D | 62 mm | 外徑 |
| B | 17 mm | 寬度 |
| Cr | 30,000 N | 基本額定動載荷,徑向 |
| C0r | 15,800 N | 基本額定靜態負荷,徑向 |
| Cur | 1,100 N | 疲勞負載極限,徑向 |
| nG | 7,100 1/min | 極限轉速 |
| ≈m | 0.23 kg | 重量 |
| da min | 32 mm | 軸肩最小直徑 |
| Da max | 55 mm | 殼肩最大直徑 |
| Db max | 57.8 mm | 殼肩最大直徑 |
| ra max | 1 mm | 軸最大圓角半徑 |
| ra1 max | 0.6 mm | 外殼最大圓角半徑 |
| rmin | 1.1 mm | 最小倒角尺寸 |
| r1 min | 0.6 mm | 最小倒角尺寸 |
| D1 | 48 mm | 外圈寬側面台肩直徑 |
| D2 | 50.26 mm | Caliber diameter on outer ring wide side face |
| D3 | 57.1 mm | Caliber diameter on outer ring small side face |
| d1 | 39.9 mm | 內圈寬側面台肩直徑 |
| d2 | 36.19 mm | Caliber diameter on inner ring wide side face |
| a | 26.8 mm | 壓力錐頂點之間的距離 |
| α | 40 ° | 接觸角 |
| Tmin | -20 °C | 最低工作溫度 |
| Tmax | 100 °C | 最高操作溫度 |
| 優化設計 | B | B |
| Sealing | 2RS | 兩側接觸式密封 |
| Cage | TVP | 玻璃纖維增強聚醯胺 PA66 實體保持架 |
| Tolerance class | P6 | 6級(P6),優於PN |
| Dimensional / heat stabilization | S0 | 環尺寸穩定達 150° |
| Lubricant | GA14 | Ball bearing grease, low noise, standard for D<=62mm |