PRODUCTS
- 首頁
- 產品介紹
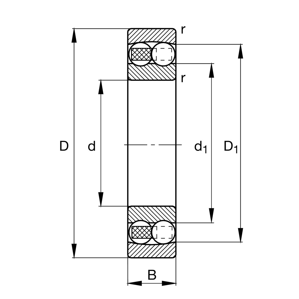
| d | 100 mm | 內徑 |
| D | 215 mm | 外徑 |
| B | 73 mm | 寬度 |
| Cr | 196,000 N | 基本額定動載荷,徑向 |
| C0r | 79,000 N | 基本額定靜態負荷,徑向 |
| Cur | 4,000 N | 疲勞負載極限,徑向 |
| nG | 4,300 1/min | 極限轉速 |
| nϑr | 4,350 1/min | 參考轉速 |
| ≈m | 12.559 kg | 重量 |
| da min | 114 mm | 軸肩最小直徑 |
| Da max | 201 mm | 殼肩最大直徑 |
| ra max | 2.5 mm | 最大圓角半徑 |
| rmin | 3 mm | 最小倒角尺寸 |
| D1 | 182.7 mm | 外圈肩徑 |
| d1 | 130.82 mm | 內圈肩徑 |
| Tmin | -30 °C | 最低工作溫度 |
| Tmax | 150 °C | 最高操作溫度 |
| e | 0.38 | Fa/Fr對於差分的適用性的限制值。 X 和 Y 參數 |
| Y1 | 1.67 | 動態軸向負載係數 |
| Y2 | 2.59 | 動態軸向負載係數 |
| Y0 | 1.75 | 靜態軸向負荷係數 |
| Bore type | Z | 圓柱 |
| Sealing | 沒有 | 未密封 |
| Cage | M | 黃銅實體保持架, ball guided |
| Tolerance class | PN | 正常(PN) |
| Lubricant | 沒有 | 軸承未潤滑 |
| Radial internal clearance | CN (Group N) | 正常內部間隙 |