PRODUCTS
- 首頁
- 產品介紹
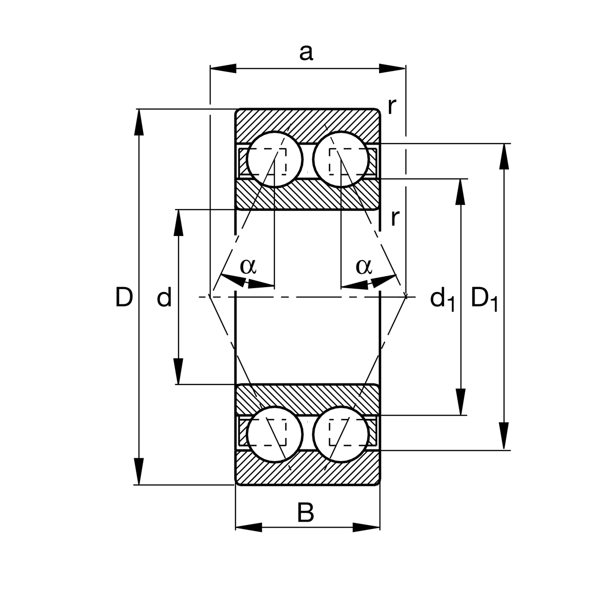
D | 優化設計 | |
| ≈m | 0.164 kg | 重量 |
| d | 25 mm | 內徑 |
| D | 52 mm | 外徑 |
| B | 20.6 mm | 寬度 |
| Cr | 22,000 N | 基本額定動載荷,徑向 |
| C0r | 15,200 N | 基本額定靜態負荷,徑向 |
| Cur | 1,050 N | 疲勞負載極限,徑向 |
| nG | 14,300 1/min | 極限轉速 |
| nϑr | 12,500 1/min | 參考轉速 |
| da min | 30.6 mm | 軸肩最小直徑 |
| Da max | 46.4 mm | 殼肩最大直徑 |
| ra max | 1 mm | 最大圓角半徑 |
| rmin | 1 mm | 最小倒角尺寸 |
| D1 | 45.1 mm | 外圈肩徑 |
| D2 | 47.62 mm | 量測外圈直徑 |
| d1 | 35.8 mm | 內圈肩徑 |
| d2 | 34.23 mm | 量測內圈直徑 |
| a | 30.8 mm | 壓力錐頂點之間的距離 |
| α | 30 ° | 接觸角 |
| Tmin | -30 °C | 最低工作溫度 |
| Tmax | 120 °C | 最高操作溫度 |
| 優化設計 | B | 軸承無裝填槽 |
| Sealing | 沒有 | 未密封 |
| Cage | TVH | 玻璃纖維增強聚醯胺 PA66 實體保持架 |
| Tolerance class | P6 | 6級(P6),優於PN |
| Dimensional / heat stabilization | SN | 環尺寸穩定達 120° |
| Lubricant | 沒有 | 軸承未潤滑 |
| Axial internal clearance | CN | 正常組(標準間隙) |