PRODUCTS
- 首頁
- 產品介紹
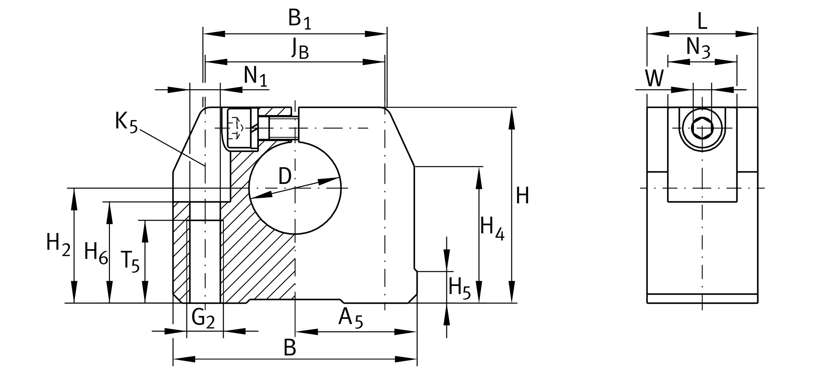
| D | 20 mm | diameter |
| Tol D | H8 | Tolerance |
| B | 53 mm | 平面寬度s |
| L | 24 mm | 長度 |
| H | 42.5 mm | Heigth |
| ≈m | 0.12 kg | 重量 |
| JB | 39 mm | Mounting Dimension |
| Tol JB | ±0,15 | Tolerance |
| A5 | 26.5 mm | Mounting Dimension |
| B1 | 40 mm | Mounting Dimension |
| H2 | 25 mm | Mounting Dimension |
| Tol H2 | +0,1 | 公差上限 |
| Tol H2 | -0,1 | 較低的公差 |
| H4 | 29.8 mm | Mounting Dimension |
| H5 | 7.4 mm | Mounting Dimension |
| T5 | 18 mm | Mounting Dimension |
| H6 | 22 mm | Mounting Dimension |
| G2 | M8 | Mounting thread below |
| N1 | 6.6 mm | Mounting Dimension |
| N3 | 15 mm | Mounting Dimension |
| K5 | M6 | Sie thread fixing screws above 1 |
| W | 4 mm | 平面寬度 2 |
| Size code | 20 | |
| Suffix | B | Version |