PRODUCTS
- 首頁
- 產品介紹
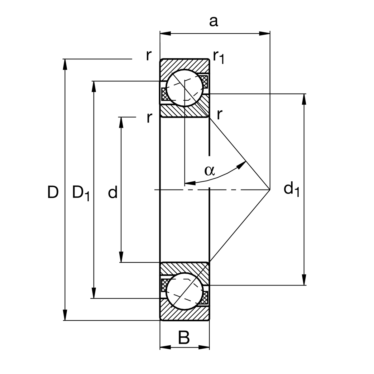
| d | 95 mm | 內徑 |
| D | 200 mm | 外徑 |
| B | 45 mm | 寬度 |
| Cr | 189,000 N | 基本額定動載荷,徑向 |
| C0r | 167,000 N | 基本額定靜態負荷,徑向 |
| Cur | 9,600 N | 疲勞負載極限,徑向 |
| nG | 4,400 1/min | 極限轉速 |
| nϑr | 3,800 1/min | 參考轉速 |
| ≈m | 5.78 kg | 重量 |
| da min | 109 mm | 軸肩最小直徑 |
| Da max | 186 mm | 殼肩最大直徑 |
| Db max | 193 mm | 殼肩最大直徑 |
| ra max | 2.5 mm | 軸最大圓角半徑 |
| ra1 max | 1 mm | 外殼最大圓角半徑 |
| rmin | 3 mm | 最小倒角尺寸 |
| r1 min | 1.1 mm | 最小倒角尺寸 |
| D1 | 159.54 mm | 外圈寬側面台肩直徑 |
| d1 | 137.14 mm | 內圈寬側面台肩直徑 |
| a | 84.4 mm | 壓力錐頂點之間的距離 |
| α | 40 ° | 接觸角 |
| Tmin | -30 °C | 最低工作溫度 |
| Tmax | 120 °C | 最高操作溫度 |
| Amin | 54 µm | 每組最小軸向間隙 |
| Tol(+) | 12 µm | 每套軸向間隙或預緊力公差 |
| 優化設計 | B | B |
| Sealing | 沒有 | 未密封 |
| Cage | TVP | 玻璃纖維增強聚醯胺 PA66 實體保持架 |
| Tolerance class | PN | 正常(PN) |
| Dimensional / heat stabilization | S0 | 環尺寸穩定達 150° |
| Bearing with matched conditions for fitting in pairs | UA | bearing set with small axial internal clearance |
| Lubricant | 沒有 | 軸承未潤滑 |