PRODUCTS
- 首頁
- 產品介紹
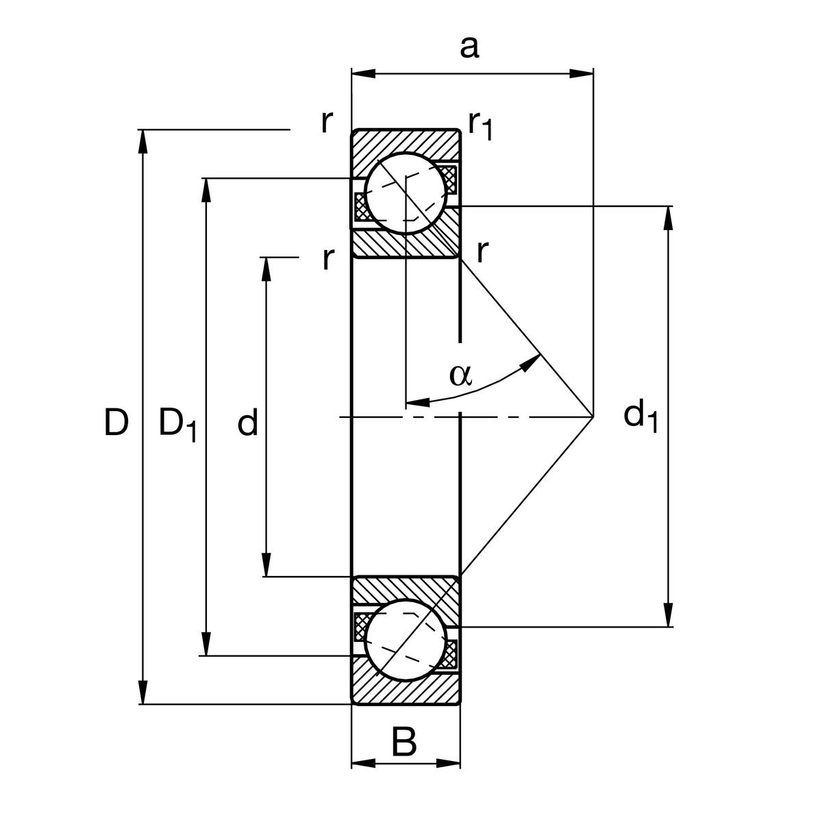
| d | 95 mm | 內徑 |
| D | 170 mm | 外徑 |
| B | 32 mm | 寬度 |
| Cr | 123,000 N | 基本額定動載荷,徑向 |
| C0r | 106,000 N | 基本額定靜態負荷,徑向 |
| Cur | 6,400 N | 疲勞負載極限,徑向 |
| nG | 5,200 1/min | 極限轉速 |
| nϑr | 4,450 1/min | 參考轉速 |
| ≈m | 2.64 kg | 重量 |
| da min | 107 mm | 軸肩最小直徑 |
| Da max | 158 mm | 殼肩最大直徑 |
| Db max | 163 mm | 殼肩最大直徑 |
| ra max | 2.1 mm | 軸最大圓角半徑 |
| ra1 max | 1 mm | 外殼最大圓角半徑 |
| rmin | 2.1 mm | 最小倒角尺寸 |
| r1 min | 1.1 mm | 最小倒角尺寸 |
| D1 | 141.5 mm | 外圈寬側面台肩直徑 |
| d1 | 125.3 mm | 內圈寬側面台肩直徑 |
| a | 71.6 mm | 壓力錐頂點之間的距離 |
| α | 40 ° | 接觸角 |
| Tmin | -30 °C | 最低工作溫度 |
| Tmax | 120 °C | 最高操作溫度 |
| Amin | 32 µm | 每組最小軸向間隙 |
| Tol(+) | 12 µm | 每套軸向間隙或預緊力公差 |
| 優化設計 | B | B |
| Sealing | 沒有 | 未密封 |
| Cage | TVP | 玻璃纖維增強聚醯胺 PA66 實體保持架 |
| Tolerance class | PN | 正常(PN) |
| Dimensional / heat stabilization | S0 | 環尺寸穩定達 150° |
| Bearing with matched conditions for fitting in pairs | UB | bearing set with smaller axial internal clearance than UA |
| Lubricant | 沒有 | 軸承未潤滑 |