INA
RNA4903-RSR-XL
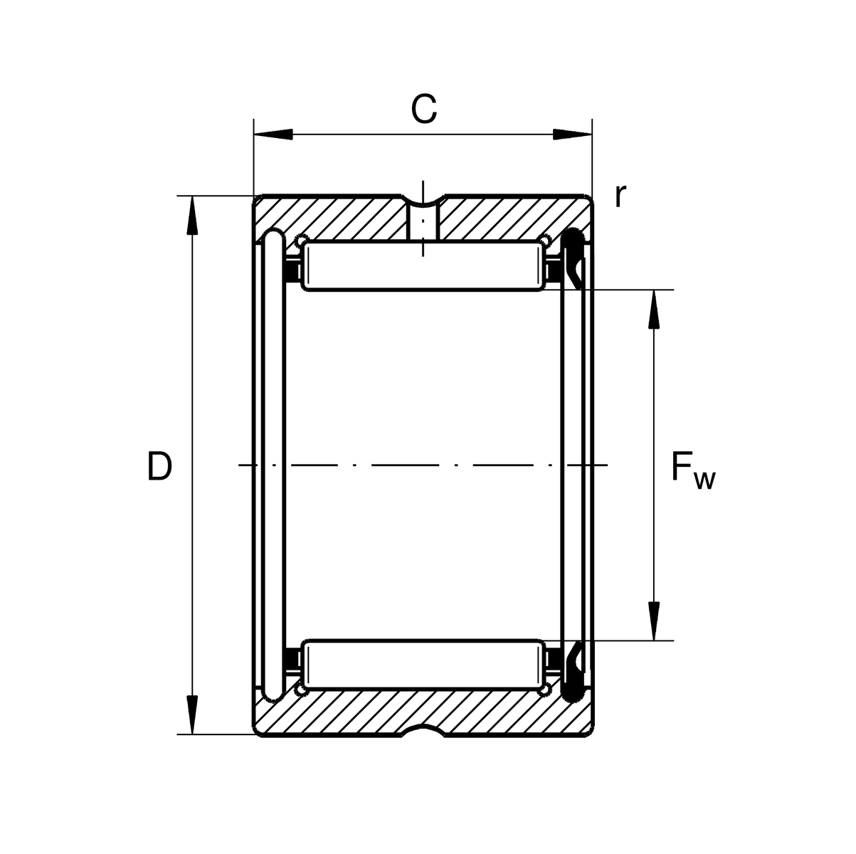
Needle roller bearing RNA4903-RSR-XL
加入詢價
主要尺寸與性能資料
| Fw | 22 mm | 下輥直徑 |
| D | 30 mm | 外徑 |
| C | 13 mm | 外圈寬度 |
| Cr | 10,000 N | 基本額定動載荷,徑向 |
| C0r | 11,000 N | 基本額定靜態負荷,徑向 |
| Cur | 2,220 N | 疲勞負載極限,徑向 |
| nG | 12,000 1/min | 極限轉速 |
| ≈m | 23.22 g | 重量 |
溫度範圍
| Tmin | -20 °C | 最低工作溫度 |
| Tmax | 100 °C | 最高操作溫度 |
您目前的產品型號
| Cage | Standard | |
| Cage feature | Standard | |
加入詢價
Needle roller bearing RNA4903-RSR-XL
已將您選擇的品項
加入詢價清單
非常感謝您!
選擇更多商品
瀏覽詢價清單