PRODUCTS
- 首頁
- 產品介紹
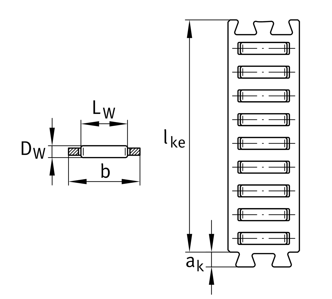
| lke | 32 mm | 長度 |
| DW | 2 mm | rolling element diameter |
| b | 10 mm | |
| C | 21,300 N | load capacity dyn. 1 |
| C0 | 61,900 N | load capacity stat. 1 |
| ≈m | 2 g | 重量 |
| EB | 10.3 mm | |
| Tol EB | +0,2 | tolerance |
| EB1 | 7 mm | min. |
| EH | 1.7 mm |
| LW | 6.8 mm | length rolling element |
| ak | 2 mm |
| Ze | 7 | number of rolling elements per row 2 |
J3525, S3525 | associated rail |
| Size code | 2010 | |
| Rolling element sort | 0-2 |