PRODUCTS
- 首頁
- 產品介紹
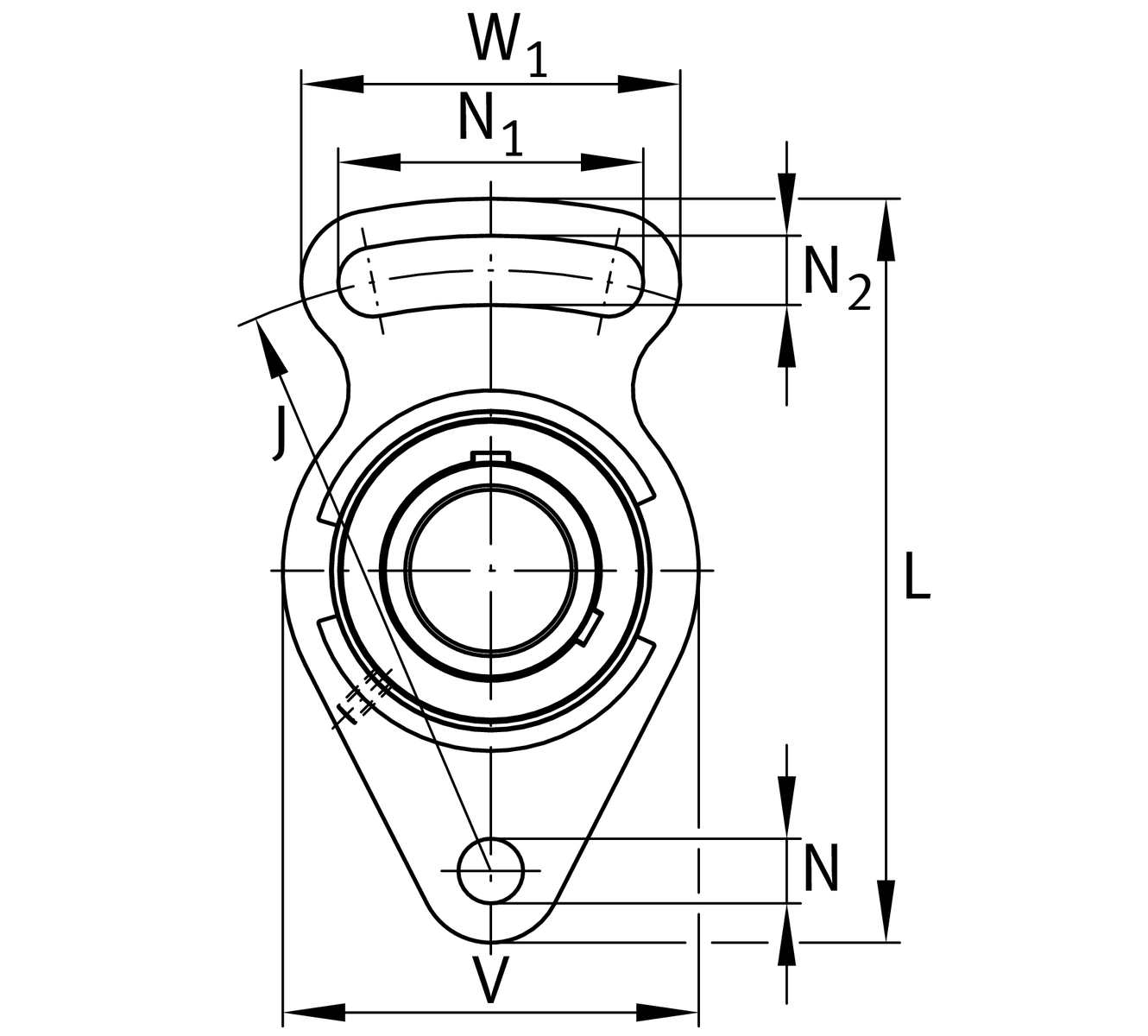
| d | 23.81 mm | 內徑 |
| L | 125 mm | Length total |
| U | 35.8 mm | 總高度單位 |
| ≈m | 0.63 kg | 重量 |
| N | 12 mm | 固定內徑 |
| N1 | 51 mm | Length (slot) |
| N2 | 12 mm | Width (slot) |
| J | 98 mm | 固定內孔距離 |
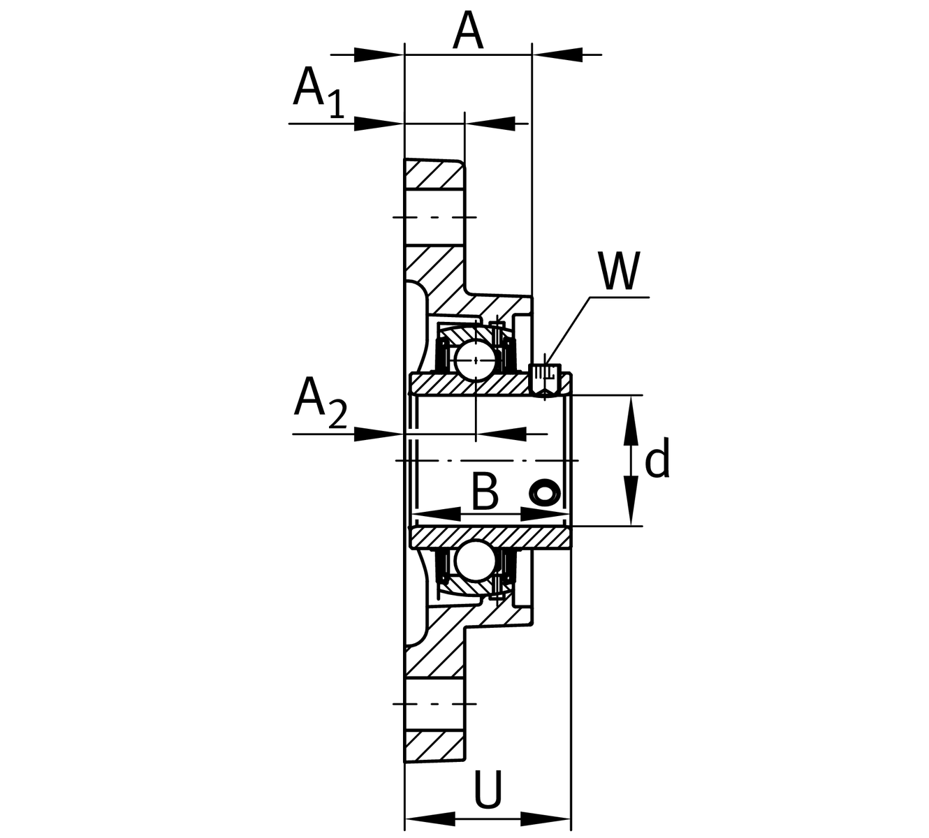
| A1 | 14 mm | 厚度 of flange |
| A2 | 16 mm | 滾道距離 |
| A | 27 mm | 外殼高度 |
| V | 68 mm | Shoulder diameter 軸承座 |
| W | 66 mm | Width 軸承座 slot side |
| Q | M6 | 用於潤滑的連接螺紋 |
FA205 | 軸承座 | |
UC205-15 | 軸承型號 |
| Tmin | -20 °C | 最低工作溫度 |
| Tmax | 120 °C | 最高操作溫度 |
| Material | GG | 灰鑄鐵 |