PRODUCTS
- 首頁
- 產品介紹
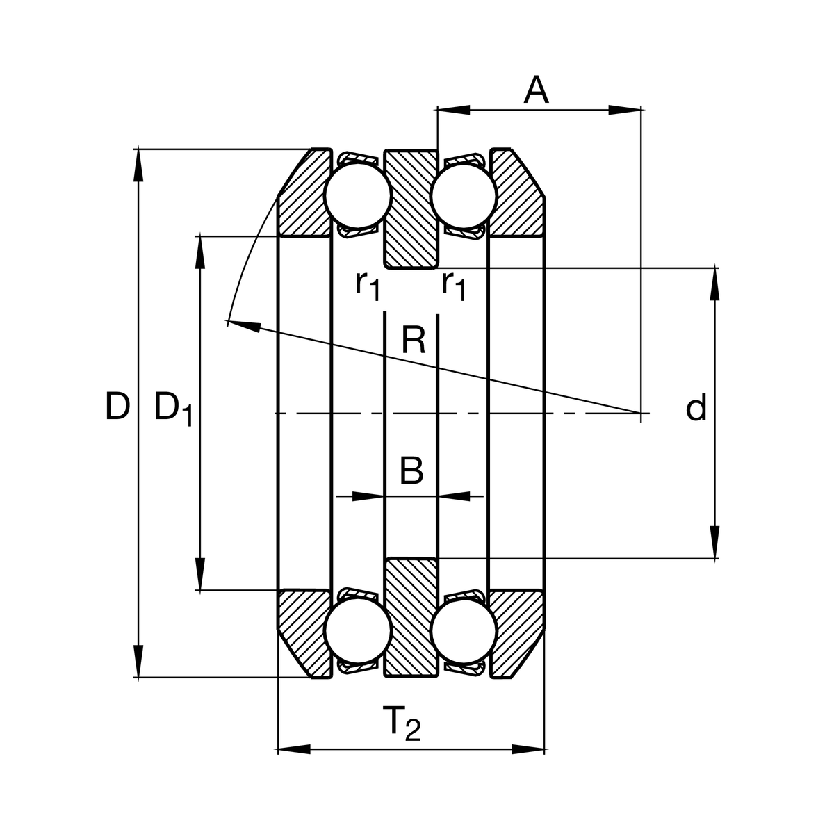
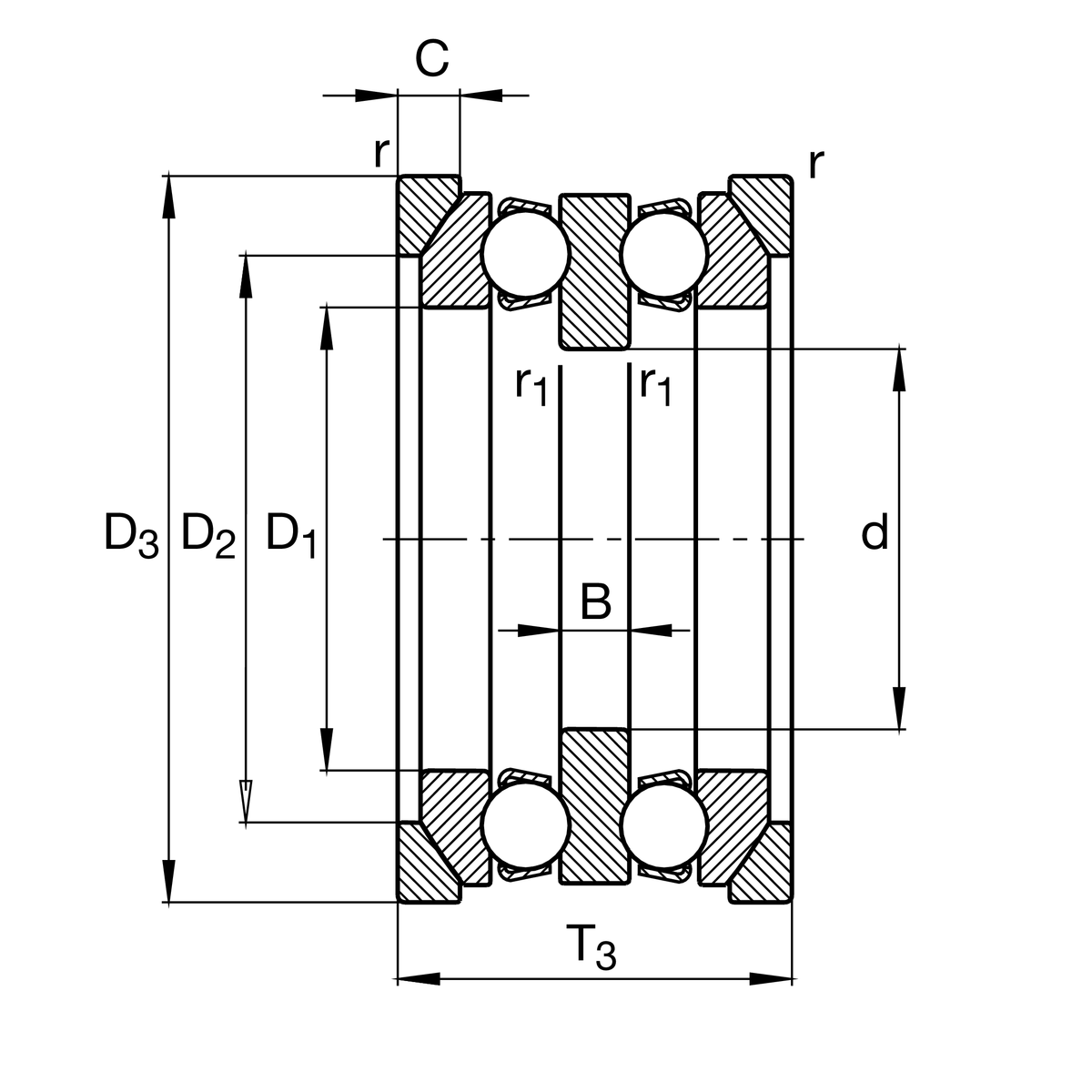
| d | 95 mm | 內徑 shaft washer |
| D | 190 mm | 外徑 軸承座 washer |
| T2 | 118.4 mm | 高度 |
| Ca | 280,000 N | 基本額定動載荷,軸向 |
| C0a | 740,000 N | 基本額定靜態載荷,軸向 |
| Cua | 28,000 N | 疲勞負荷極限,軸向 |
| nG | 1,790 1/min | 極限轉速 |
| nϑr | 3,300 1/min | 參考轉速 |
| ≈m | 13.808 kg | 重量 |
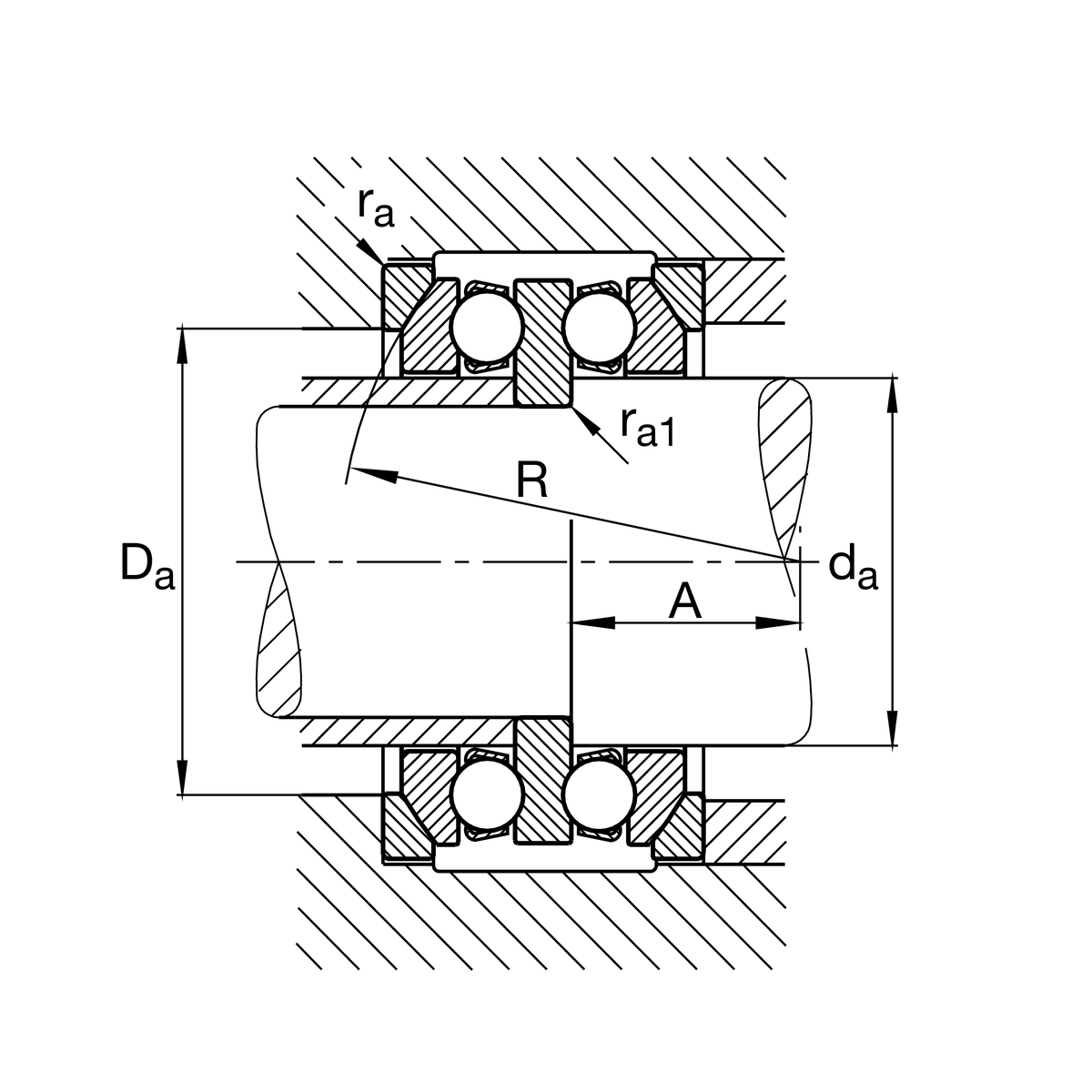
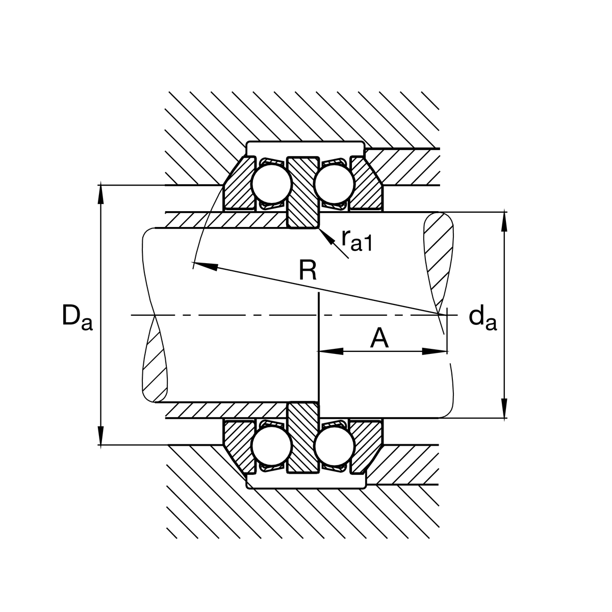
| da max | 110 mm | Maximum 直徑軸肩 |
| Da max | 150 mm | 殼肩最大直徑 |
| ra max | 2 mm | Maximum filled radius |
| ra1 max | 1 mm | Maximum filled radius |
| D1 | 113 mm | 內徑 軸承座 washer |
| B | 24 mm | 軸墊圈高度 |
| rmin | 2 mm | 最小倒角尺寸 |
| r1 min | 1 mm | 最小倒角尺寸 |
| R | 140 mm | Radius 球形 軸承座 washer |
| A | 47 mm | 中心點距離 |
| T3 | 128 mm | Height with seat washer |
| Tmin | -30 °C | 最低工作溫度 |
| Tmax | 150 °C | 最高操作溫度 |
| A | 3 | Minimum load factor |
U322 | Seat washer |
| Cage | MP | 黃銅實體保持架,滾動體引導 |
| Tolerance class | PN | 正常(PN) |