PRODUCTS
- 首頁
- 產品介紹
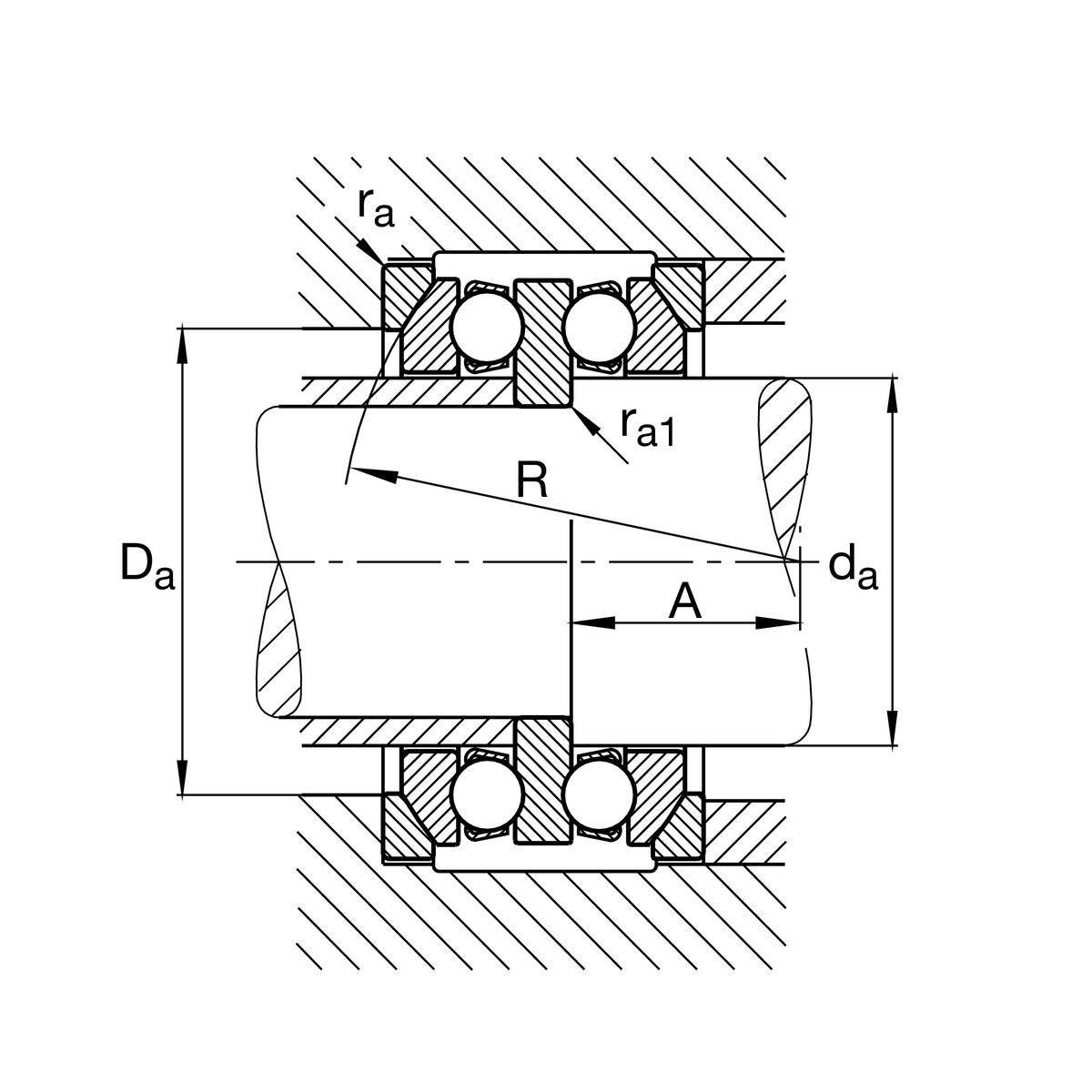
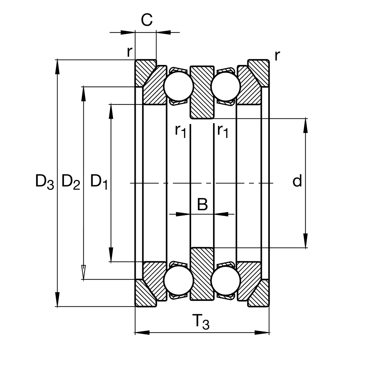
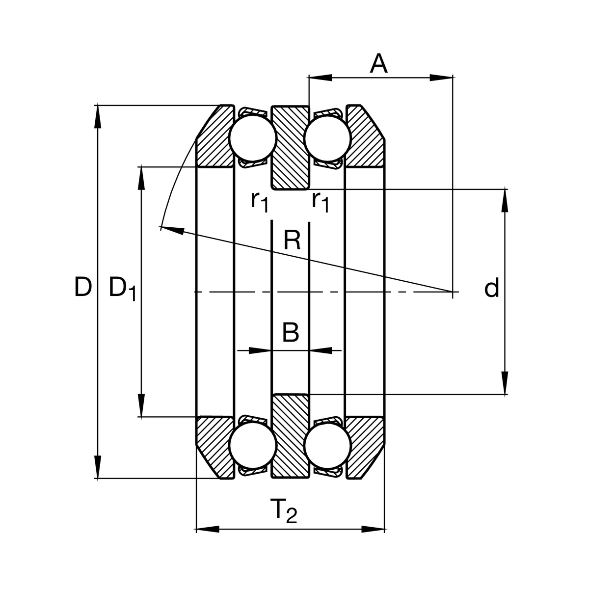
| d | 95 mm | 內徑 shaft washer |
| D | 160 mm | 外徑 軸承座 washer |
| T2 | 71.4 mm | 高度 |
| Ca | 126,000 N | 基本額定動載荷,軸向 |
| C0a | 365,000 N | 基本額定靜態載荷,軸向 |
| Cua | 14,400 N | 疲勞負荷極限,軸向 |
| nG | 2,650 1/min | 極限轉速 |
| nϑr | 3,250 1/min | 參考轉速 |
| ≈m | 4.169 kg | 重量 |
| da max | 110 mm | Maximum 直徑軸肩 |
| Da max | 135 mm | 殼肩最大直徑 |
| ra max | 1 mm | Maximum filled radius |
| ra1 max | 1 mm | Maximum filled radius |
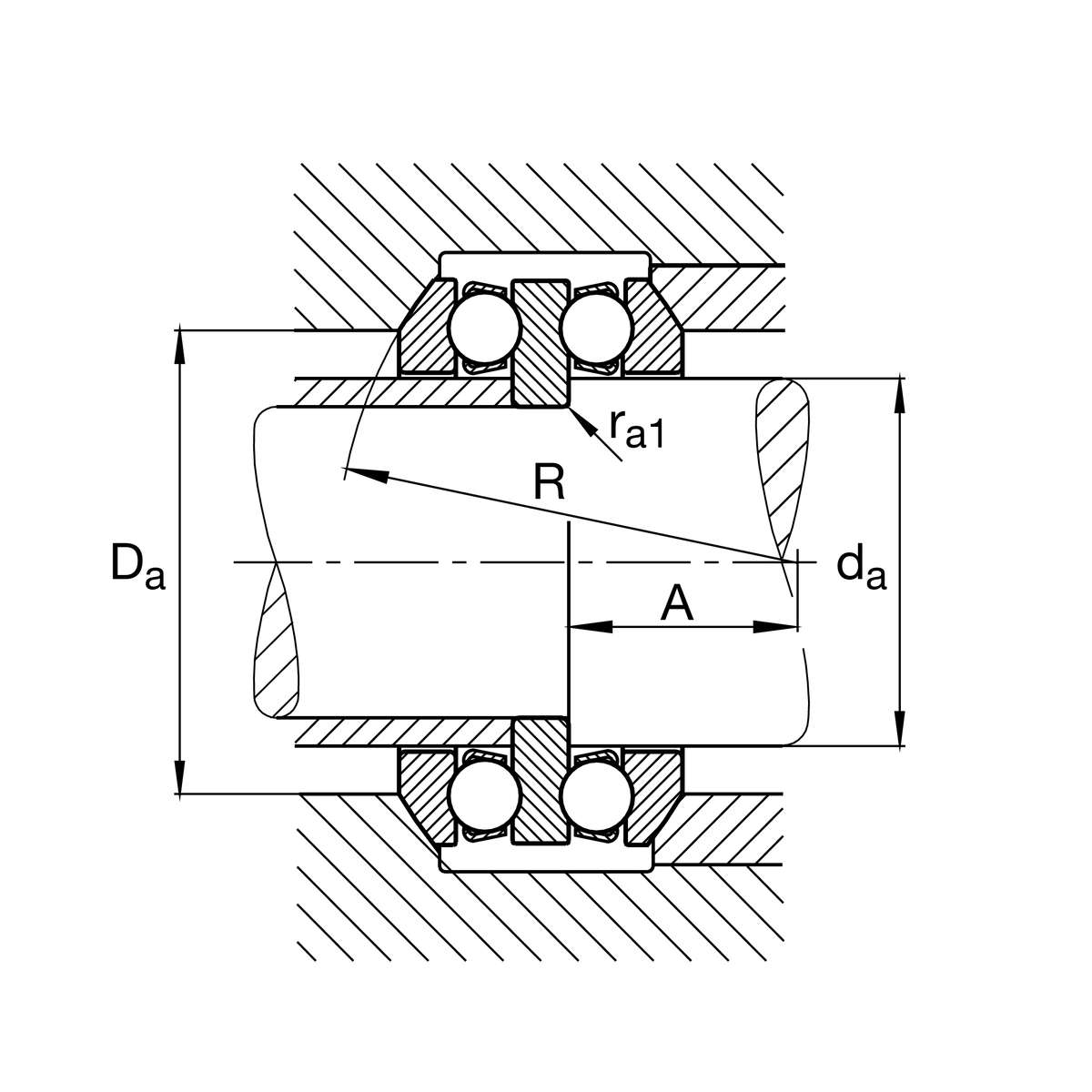
| D1 | 113 mm | 內徑 軸承座 washer |
| B | 15 mm | 軸墊圈高度 |
| rmin | 1.1 mm | 最小倒角尺寸 |
| r1 min | 1 mm | 最小倒角尺寸 |
| R | 125 mm | Radius 球形 軸承座 washer |
| A | 62 mm | 中心點距離 |
| T3 | 81 mm | Height with seat washer |
| Tmin | -30 °C | 最低工作溫度 |
| Tmax | 150 °C | 最高操作溫度 |
| A | 0.83 | Minimum load factor |
U222 | Seat washer |
| Cage | JP | 沖壓鋼板 |
| Tolerance class | PN | 正常(PN) |