PRODUCTS
- 首頁
- 產品介紹
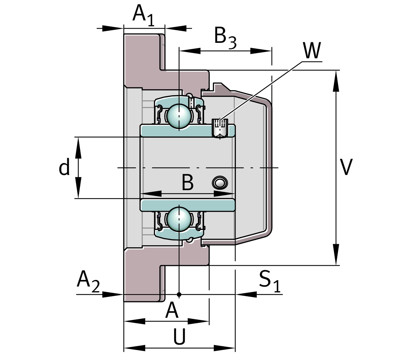
| d | 20 mm | 內徑 |
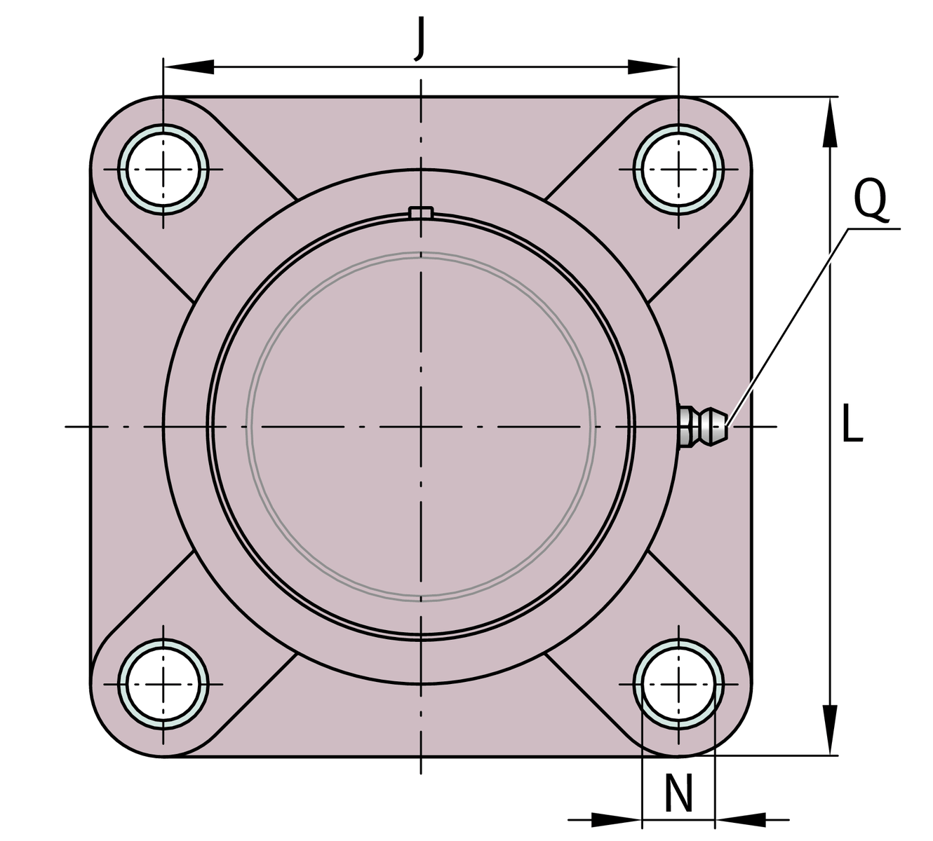
| L | 87 mm | 法蘭寬度 |
| U | 36.3 mm | 總高度單位 |
| Cr | 10,900 N | 基本額定動載荷,徑向 |
| C0r | 5,300 N | 基本額定靜態負荷,徑向 |
| Cur | 280 N | 疲勞負載極限,徑向 |
| C0r G | 10,200 N | Load carrying capacity (軸承座) |
| ≈m | 0.31 kg | 重量 |
| J | 63.5 mm | 固定內孔距離 |
| N | 11 mm | 固定內徑 |
| W | 2.5 mm | 平面寬度 |
| A | 27.8 mm | 外殼高度 |
| A1 | 13.4 mm | 厚度 of flange |
| A2 | 18 mm | 滾道距離 |
| B | 31 mm | 寬度 |
| B3 | 30.2 mm | Distance 軸承座 centre to cap end |
| S1 | 18.3 mm | 滾道距離 to locking device |
| V | 63.5 mm | Shoulder diameter 軸承座 |
| Q | 1/4"-28 UNF | 用於潤滑的連接螺紋 |
GEH.CJ04-TV-WHT | 軸承座 | |
GYE20-KRR-B-FA107-VA-FD | 軸承型號 | |
KASK04-S-G-WHT | Protecting cap |
| Tmin | -30 °C | 最低工作溫度 |
| Tmax | 100 °C | 最高操作溫度 |
| Material | TV-FD | Plastic for food industry |