PRODUCTS
- 首頁
- 產品介紹
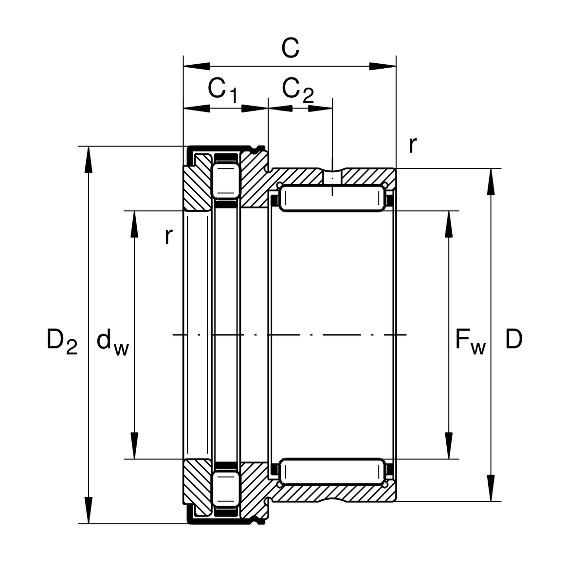
| Fw | 20 mm | 內徑 |
| D | 30 mm | 外徑 |
| C | 30 mm | 高度 |
| Cr | 18,600 N | 基本額定動載荷,徑向 |
| C0r | 23,800 N | 基本額定靜態負荷,徑向 |
| Ca | 25,000 N | 基本額定動載荷,軸向 |
| C0a | 53,000 N | 基本額定靜態載荷,軸向 |
| Cur | 4,200 N | 疲勞負載極限,徑向 |
| Cua | 7,500 N | 疲勞負荷極限,軸向 |
| nG | 10,000 1/min | 極限轉速 |
| nϑr | 4,200 1/min | 參考轉速 |
| ≈m | 84.04 g | 重量 |
| da | 30.7 mm | Mounting dimension shaft shoulder |
| ra max | 0.3 mm | 最大凹槽半徑 |
| D2 max | 36.2 mm | Maximum outerside diameter flange |
| C1 | 10 mm | Width of the axial brearing component |
| C2 | 10.5 mm | 至潤滑孔距離 |
| dw | 20 mm | 內徑 of shaft washer |
| rmin | 0.3 mm | 最小倒角尺寸 |
| Tmin | -30 °C | 最低工作溫度 |
| Tmax | 120 °C | 最高操作溫度 |
IR17X20X20-XL | Suitable inner rings IR |
| Sealing | Z | Bearing with end cap |
| Tolerance class | PN | 正常(PN) |