PRODUCTS
- 首頁
- 產品介紹
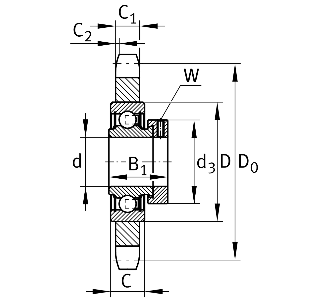
| d | 20 mm | 內徑 |
| d | 0.018 mm | 公差上限 |
| d | 0 mm | 較低的公差 |
| C1 | 15.3 mm | 厚度 of sprocket |
| D0 | 82.3 mm | Pitch circle diameter (gearing) |
| Dk | 89.4 mm | Tip diameter (gearing) |
| ≈m | 0.45 kg | 重量 |
| p | 25.4 mm | Tooth set |
| z | 10 | Number of teeth |
x | ISO chain | |
| W | M6 X 0,75 mm | Width accros flats |
| C2 | 2 mm | 倒角寬度 |
| D | 47 mm | 外徑 |
| B1 | 31 mm | 鎖環總寬度 |
| C | 14 mm | 外圈寬度 |
| d3 | 33 mm | 鎖緊環/鎖緊螺帽外徑 |
| d3 | 33 mm | 外徑 eccentric locking collar |
| W | 3 mm | 平面寬度 |
| B1 | 31 mm | Locking collar width |