PRODUCTS
- 首頁
- 產品介紹
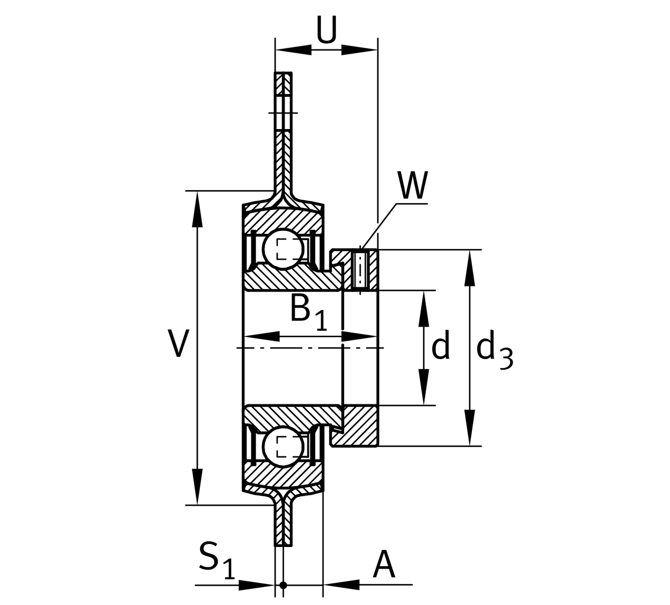
| d | 20 mm | 內徑 |
| H2 | 76.2 mm | Height flange |
| H | 90 mm | Height flange |
| H | 90.5 mm | 法蘭寬度 |
| U | 25.5 mm | 總高度單位 |
| Cr | 13,600 N | 基本額定動載荷,徑向 |
| C0r | 6,600 N | 基本額定靜態負荷,徑向 |
| Cur | 345 N | 疲勞負載極限,徑向 |
| C0r G | 3,200 N | Load carrying capacity (軸承座) |
| Cg | 3,200 N | Load carrying capacity (軸承座) |
| ≈m | 0.28 kg | 重量 |
| J | 71.5 mm | 固定內孔距離 |
| J | 71.5 mm | Pitch circle diameter (holes) |
| N | 8.7 mm | Fixing square |
| n | 3 | 螺絲孔數 |
| A | 8 mm | 外殼高度 |
| H1 | 33.3 mm | Distance shaft axis |
| S | 2 mm | 厚度 of flange |
| V | 55 mm | Shoulder diameter 軸承座 |
2 | 外殼數量 | |
FLAN47-MSTR | 軸承座 | |
RAE20-XL-NPP-B | 軸承型號 |
| Tmin | -20 °C | 最低工作溫度 |
| Tmax | 120 °C | 最高操作溫度 |
| Material | Stahlblech | Steel sheet |