PRODUCTS
- 首頁
- 產品介紹
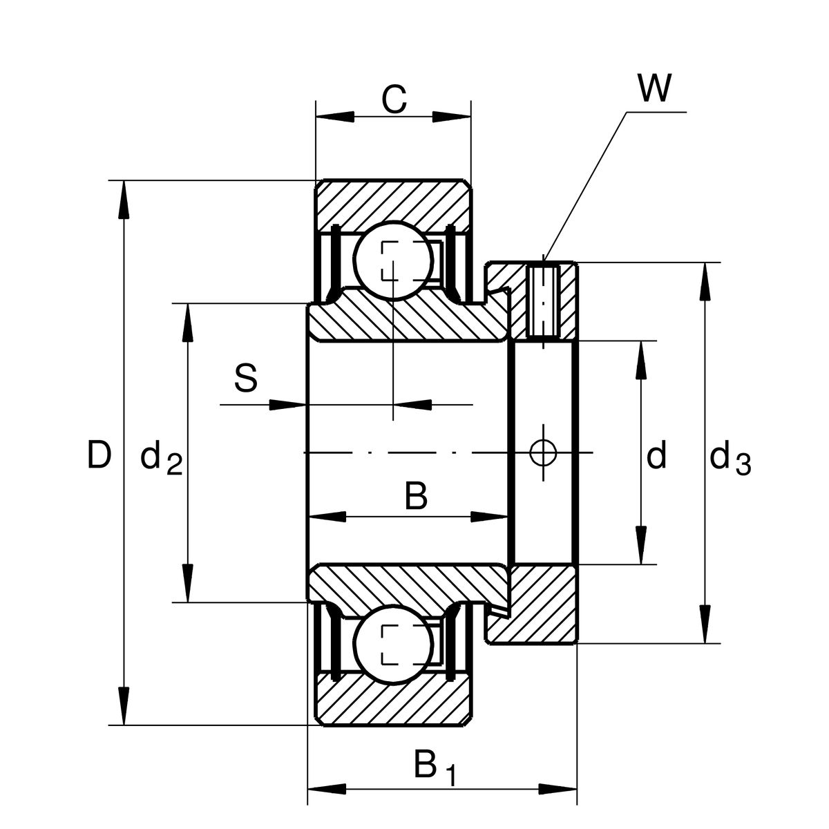
| d | 20 mm | 內徑 |
| D | 47 mm | 外徑 |
| B | 21.4 mm | 寬度 |
| B1 | 31 mm | 鎖環總寬度 |
| Cr | 12,800 N | 基本額定動載荷,徑向 |
| C0r | 6,600 N | 基本額定靜態負荷,徑向 |
| Cur | 315 N | 疲勞負載極限,徑向 |
| ≈m | 0.17 kg | 重量 |
| C | 14 mm | 外圈寬度 |
| S | 7.5 mm | 滾道距離 |
| d2 | 26.9 mm | 密封內圈擋邊直徑 |
| d3 | 33 mm | 鎖緊環/鎖緊螺帽外徑 |
| W | 3 mm | 平面寬度 |
| Tmin | -20 °C | 最低工作溫度 |
| Tmax | 120 °C | 最高操作溫度 |
| f0 | 13.1 | 計算參數 |
| Sealing | NPP | 兩側唇形密封 |