PRODUCTS
- 首頁
- 產品介紹
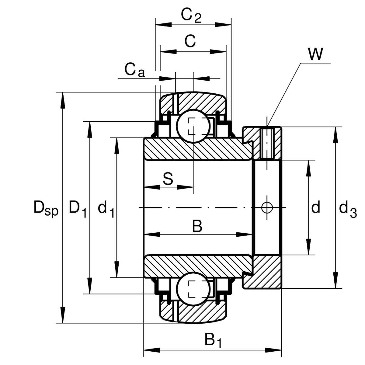
| d | 90 mm | 內徑 |
| DSP | 160 mm | 外徑 |
| B | 52 mm | 寬度 |
| Cur | 3,650 N | 疲勞負載極限,徑向 |
| B1 | 69.5 mm | 鎖環總寬度 |
| Cr | 109,000 N | 基本額定動載荷,徑向 |
| C0r | 79,000 N | 基本額定靜態負荷,徑向 |
| ≈m | 3.68 kg | 重量 |
| C | 32 mm | 外圈寬度 |
| C2 | 35 mm | 封口總寬度 |
| S | 23 mm | 滾道距離 |
| d1 | 109.4 mm | 內圈擋邊直徑 |
| D1 | 138 mm | 外徑密封 |
| Ca | 10 mm | 至潤滑孔距離 |
| d3 | 118 mm | 鎖緊環/鎖緊螺帽外徑 |
| W | 6 mm | 平面寬度 |
| f0 | 14.5 | 計算參數 |
| Sealing | KRR | 兩側唇形密封 |
| Shape of outer surface | B | |
| Manufacturing instruction | FA164 | High temperature design up to +250°C |