PRODUCTS
- 首頁
- 產品介紹
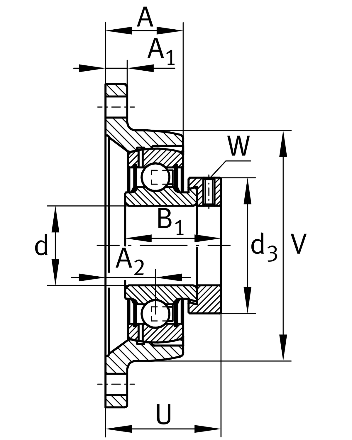
| d | 20 mm | 內徑 |
| L | 61 mm | 法蘭寬度 |
| H | 112 mm | Height flange |
| U | 42.5 mm | 總高度單位 |
| Cr | 13,600 N | 基本額定動載荷,徑向 |
| C0r | 6,600 N | 基本額定靜態負荷,徑向 |
| Cur | 345 N | 疲勞負載極限,徑向 |
| ≈m | 0.44 kg | 重量 |
| J | 90 mm | 固定內孔距離 |
| N | 11.5 mm | 固定內徑 |
| n | 2 | 螺絲孔數 |
| A | 28 mm | 外殼高度 |
| A1 | 10 mm | 厚度 of flange |
| A2 | 19 mm | 滾道距離 |
| V | 61 mm | Shoulder diameter 軸承座 |
| Q | M6 | 用於潤滑的連接螺紋 |
| d3 | 33 mm | 外徑 locking collar |
1 | 外殼數量 | |
CJT04 | 軸承座 | |
GRAE20-XL-NPP-B | 軸承型號 | |
KASK04 | Protecting cap |
| Tmin | -20 °C | 最低工作溫度 |
| Tmax | 120 °C | 最高操作溫度 |
| Groove | N | Cast iron 軸承座 with undercut slot for end caps |
| Material | GG | 灰鑄鐵 |