INA
BE20-XL-SML
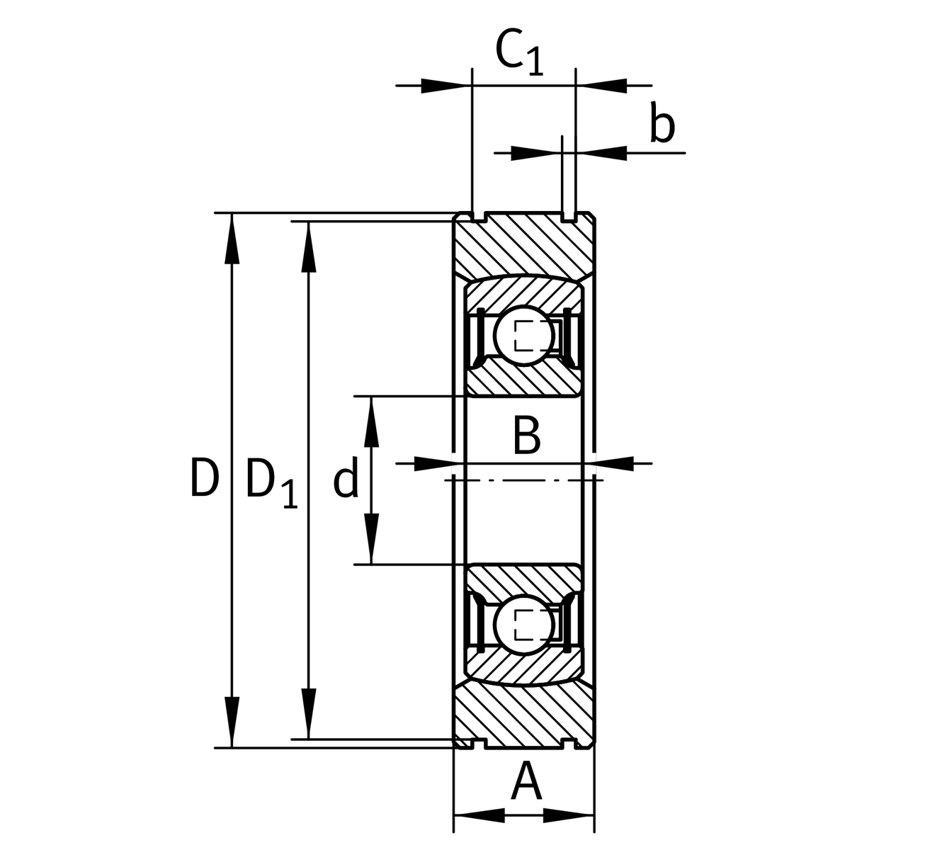
Radial insert ball bearing BE20-XL-SML
加入詢價
主要尺寸與性能資料
| d | 20 mm | 內徑 |
| D | 55 mm | 外徑 |
| Cr | 12,800 N | 基本額定動載荷,徑向 |
| C0r | 6,600 N | 基本額定靜態負荷,徑向 |
| Cur | 345 N | 疲勞負載極限,徑向 |
| ≈m | 0.188 kg | 重量 |
尺寸
| A | 16 mm | 外圈寬度 |
| C1 | 11.2 mm | 環槽距離 |
| 0.2 mm | 上距環槽公差 |
| b | 1.35 mm | 固定槽寬度 |
| 0.3 mm | Nut 寬度上限公差 |
| D1 | 52.6 mm | 溝槽直徑 |
| -0.5 mm | Nut diameter 較低的公差 |
加入詢價
Radial insert ball bearing BE20-XL-SML
已將您選擇的品項
加入詢價清單
非常感謝您!
選擇更多商品
瀏覽詢價清單