PRODUCTS
- 首頁
- 產品介紹
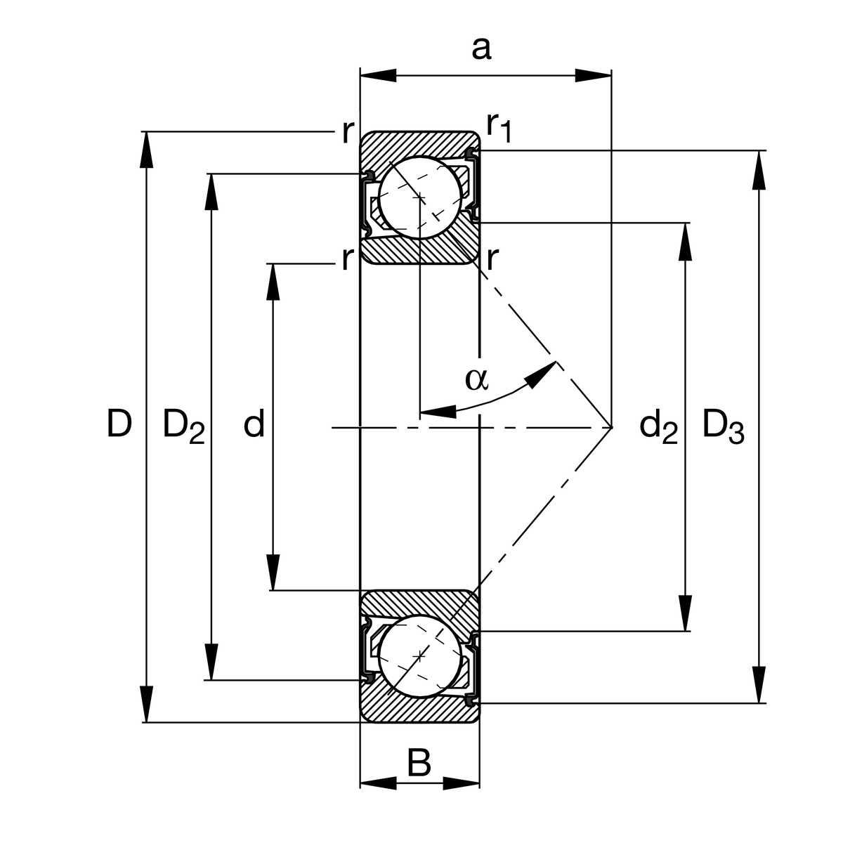
| d | 20 mm | 內徑 |
| D | 42 mm | 外徑 |
| B | 12 mm | 寬度 |
| Cr | 14,500 N | 基本額定動載荷,徑向 |
| C0r | 8,000 N | 基本額定靜態負荷,徑向 |
| Cur | 560 N | 疲勞負載極限,徑向 |
| nG | 9,800 1/min | 極限轉速 |
| ≈m | 0.065 kg | 重量 |
| da min | 23.2 mm | 軸肩最小直徑 |
| Da max | 38.8 mm | 殼肩最大直徑 |
| Db max | 40 mm | 殼肩最大直徑 |
| ra max | 0.6 mm | 軸最大圓角半徑 |
| ra1 max | 0.3 mm | 外殼最大圓角半徑 |
| rmin | 0.6 mm | 最小倒角尺寸 |
| r1 min | 0.3 mm | 最小倒角尺寸 |
| D1 | 34.82 mm | 外圈寬側面台肩直徑 |
| D2 | 35.5 mm | Caliber diameter on outer ring wide side face |
| D3 | 39.8 mm | Caliber diameter on outer ring small side face |
| d1 | 28.94 mm | 內圈寬側面台肩直徑 |
| d2 | 26.52 mm | Caliber diameter on inner ring wide side face |
| a | 19.4 mm | 壓力錐頂點之間的距離 |
| α | 40 ° | 接觸角 |
| Tmin | -30 °C | 最低工作溫度 |
| Tmax | 100 °C | 最高操作溫度 |
| 優化設計 | B | B |
| Sealing | 2RS | 兩側接觸式密封 |
| Cage | TVP | 玻璃纖維增強聚醯胺 PA66 實體保持架 |
| Tolerance class | PN | 正常(PN) |
| Dimensional / heat stabilization | S0 | 環尺寸穩定達 150° |
| Lubricant | L055 | 潤滑脂(L055/客戶特定) |