PRODUCTS
- 首頁
- 產品介紹
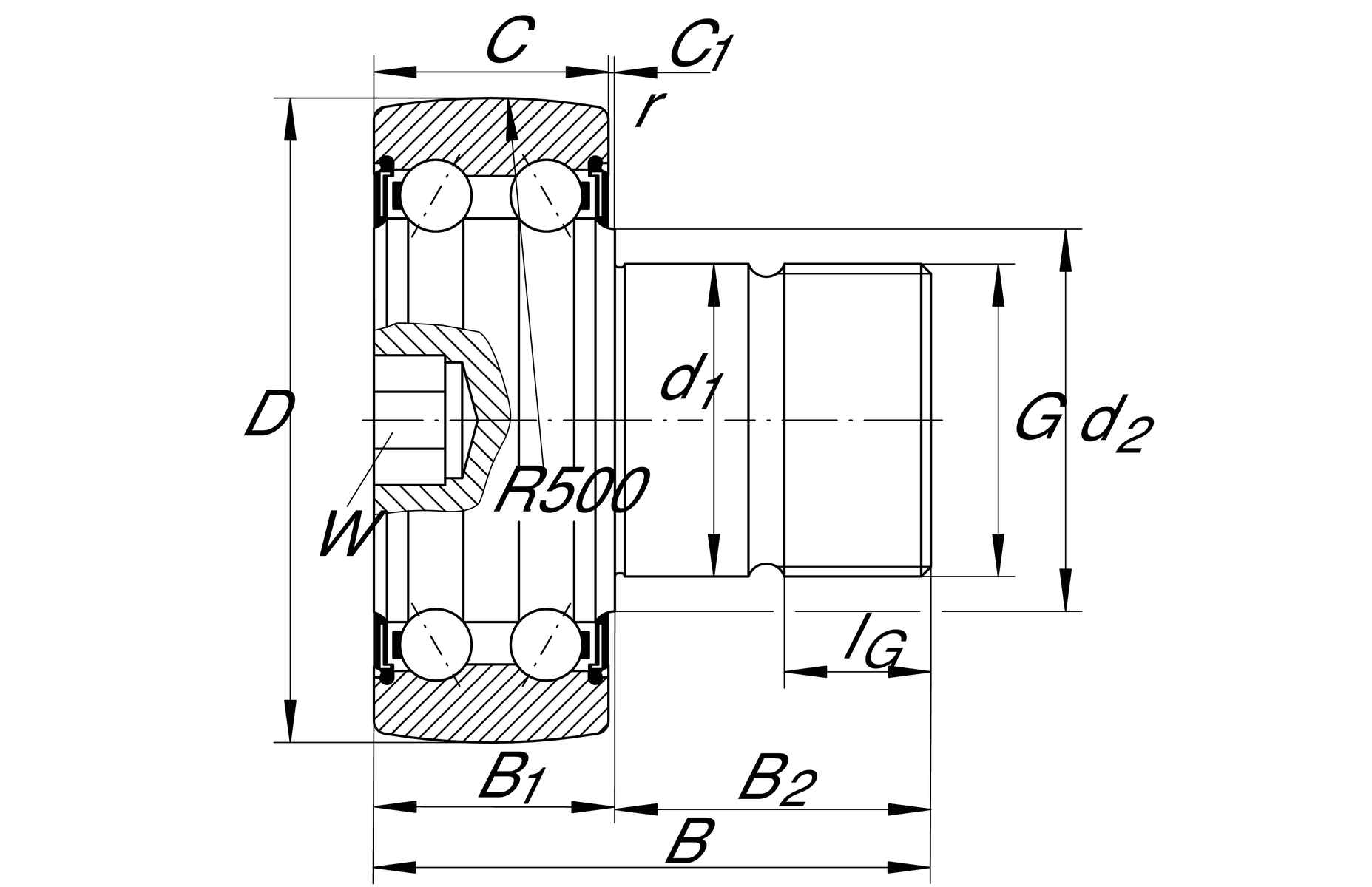
| D | 52 mm | 外徑 |
| d1 | 20 mm | 滾柱螺柱/螺柱配合直徑 |
| B | 63.6 mm | 寬度 |
| Cr w | 15,800 N | 基本額定動載荷,徑向 |
| C0r w | 10,800 N | 基本額定靜態負荷,徑向 |
| Cur w | 550 N | 疲勞負載極限,徑向 |
| nD G | 5,000 1/min | 永久脂潤滑速度 |
| ≈m | 0.39 kg | 重量 |
| B1 max | 22.5 mm | Maximum 止推墊圈寬度 |
| B2 | 41.5 mm | 螺栓/螺柱有效長度 |
| C | 20.6 mm | 外圈寬度 |
| C1 | 1.5 mm | 凸出外圈至止推墊圈 |
| d2 | 26.8 mm | 止推墊圈止動直徑 |
| rmin | 1 mm | 最小倒角尺寸 |
| G | M20X1,5 | 線 |
| IG | 21 mm | 螺紋長度 |
| W | 10 mm | 平面寬度 |
| R | 500 mm | 外圈外輪廓半徑 |
| MA | 160 Nm | 擰緊扭力螺母 |
| Sealing | 2RS | 兩側唇形密封, with axial sealing action |
| Outer Ring profile | R500 | R500 |
| Relubrication feature | 沒有 | 沒有 |
| Assembling aid head | I6 | 內六角套筒 |