PRODUCTS
- 首頁
- 產品介紹
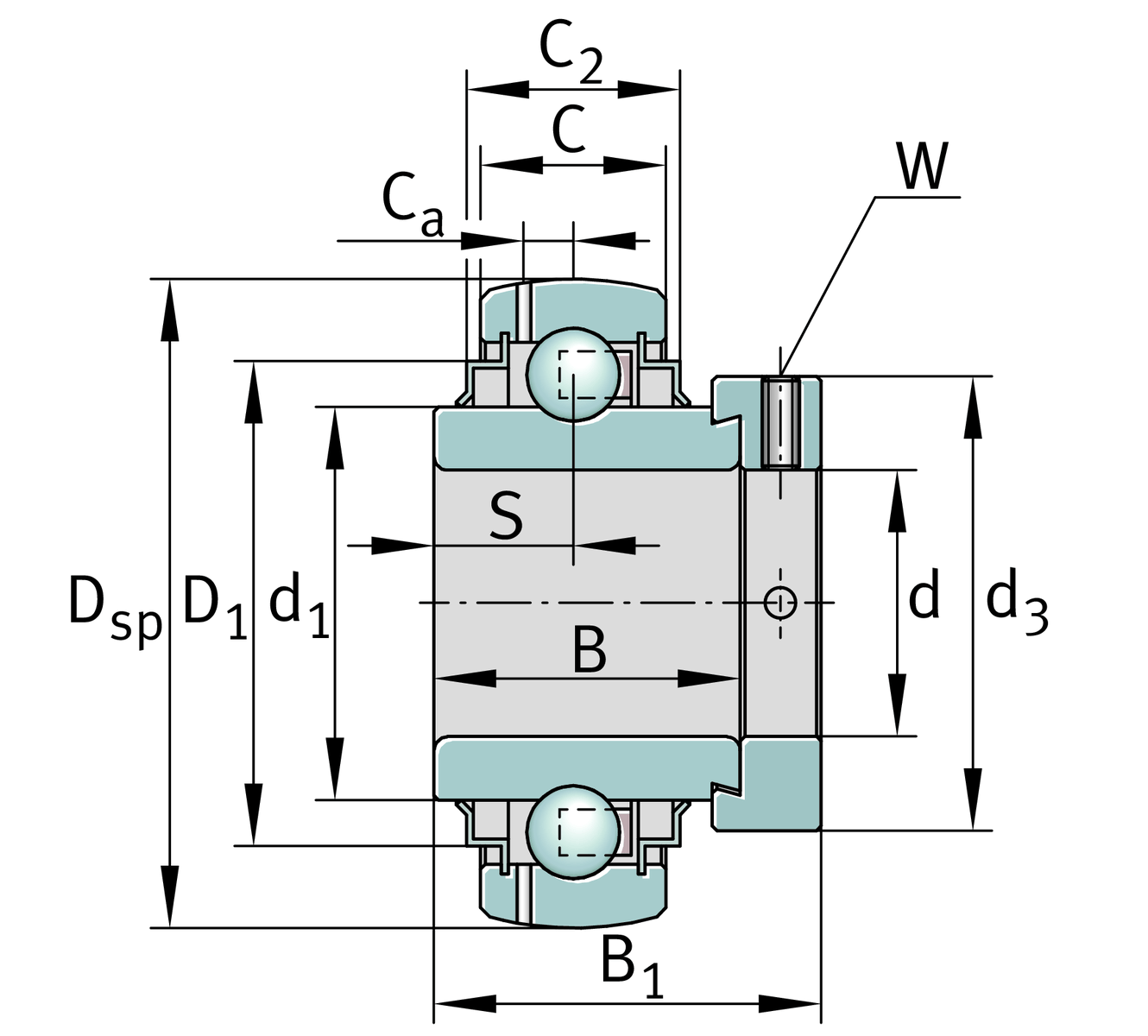
| d | 20 mm | 內徑 |
| DSP | 47 mm | 外徑 |
| B | 34.1 mm | 寬度 |
| Cur | 315 N | 疲勞負載極限,徑向 |
| B1 | 43.7 mm | 鎖環總寬度 |
| Cr | 12,800 N | 基本額定動載荷,徑向 |
| C0r | 6,600 N | 基本額定靜態負荷,徑向 |
| ≈m | 0.19 kg | 重量 |
| C | 14 mm | 外圈寬度 |
| C2 | 16.6 mm | 封口總寬度 |
| S | 17.1 mm | 滾道距離 |
| d1 | 27.6 mm | 內圈擋邊直徑 |
| D1 | 37.4 mm | 外徑密封 |
| Ca | 4 mm | 至潤滑孔距離 |
| d3 | 33 mm | 鎖緊環/鎖緊螺帽外徑 |
| W | 3 mm | 平面寬度 |
| f0 | 13.1 | 計算參數 |
| Sealing | KRR | 兩側唇形密封 |
| Shape of outer surface | B | |
| Manufacturing instruction | FA125 | Unit with Corrotect coating, corrosion-resistant |