PRODUCTS


INA
SL185022-A-BR-C3
Cylindrical roller bearing SL185022-A-BR-C3
加入詢價
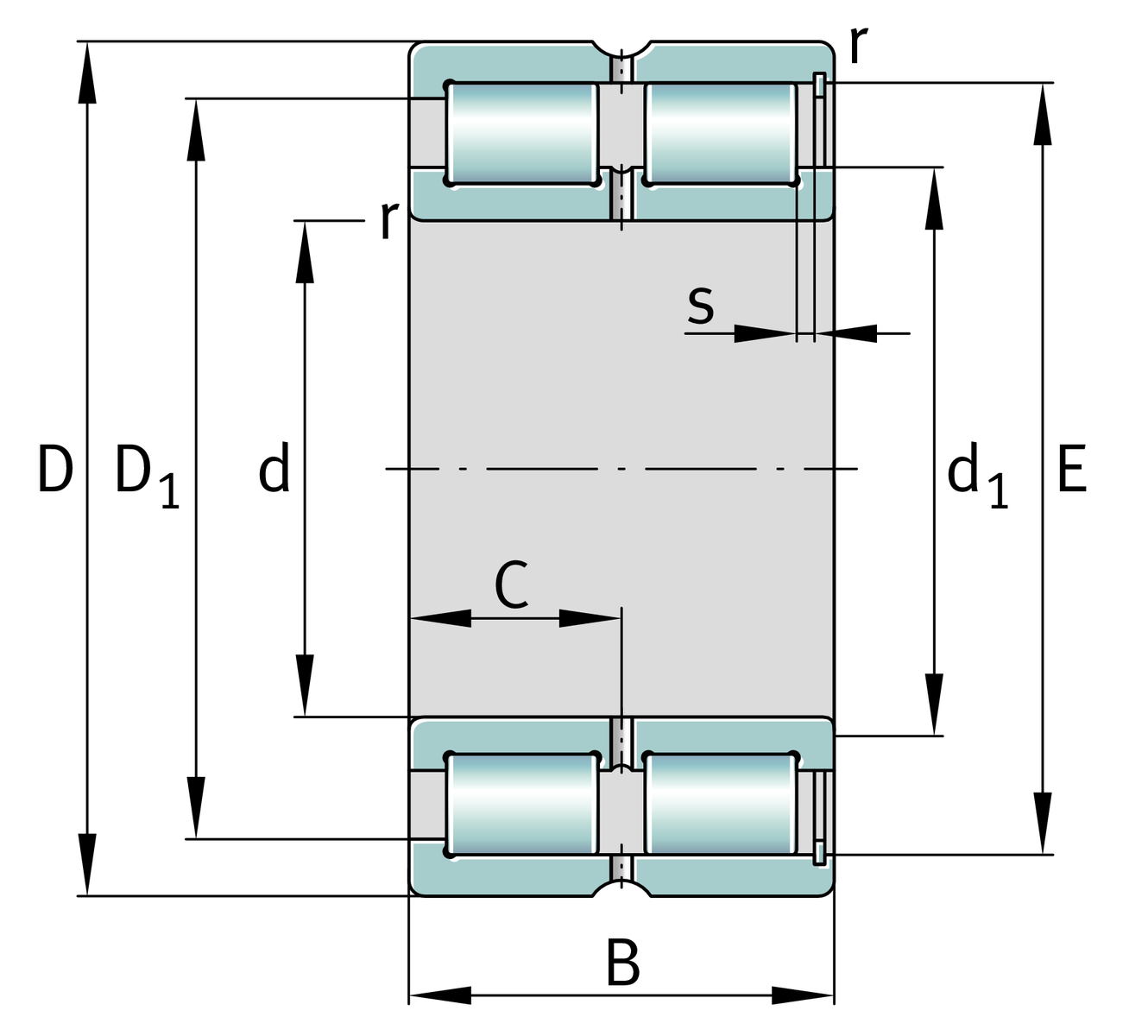
主要尺寸與性能資料
d
110 mm
內徑
D
170 mm
外徑
B
80 mm
寬度
Cr
485,000 N
基本額定動載荷,徑向
C0r
770,000 N
基本額定靜態負荷,徑向
Cur
111,000 N
疲勞負載極限,徑向
nG
2,350 1/min
極限轉速
nϑr
1,730 1/min
參考轉速
≈m
6.059 kg
重量

安裝尺寸
dc min
127 mm
最小軸肩
da min
127.3 mm
軸肩最小直徑
Da max
149.5 mm
殼肩最大直徑
ra max
2 mm
最大凹槽半徑
ra1 max
2 mm
最大凹槽半徑
De min
149.3 mm
外殼肩部最小直徑

尺寸
rmin
2 mm
最小倒角尺寸
r1 min
2 mm
最小倒角尺寸
s
5 mm
軸向位移
C
40 mm
至潤滑孔距離
d1
127.3 mm
內圈最大擋邊直徑
D1 min
149.3 mm
外圈最小擋邊直徑
E
156.7 mm
外圈滾道直徑

溫度範圍
Tmin
-30 °C
最低工作溫度
Tmax
120 °C
最高操作溫度

您目前的產品型號
DesignA內部優化設計A
Radial internal clearanceC3 (Group 3)內部間隙大於CN
Tolerance classPN正常(PN)
Number of rolling element rows2雙列設計
加入詢價