PRODUCTS
- 首頁
- 產品介紹
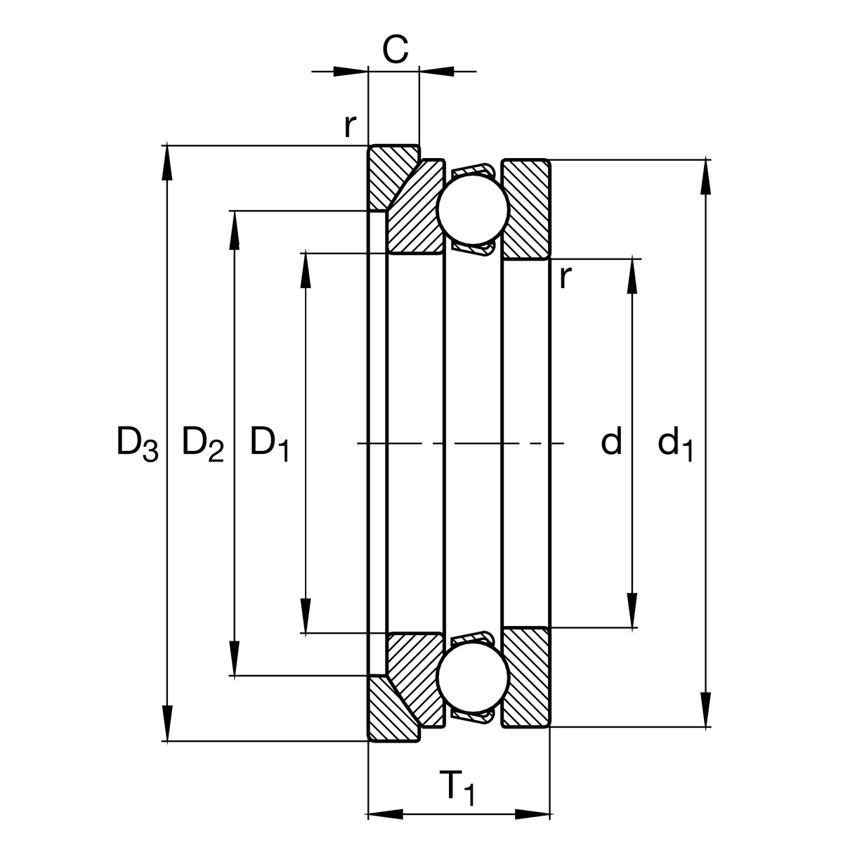
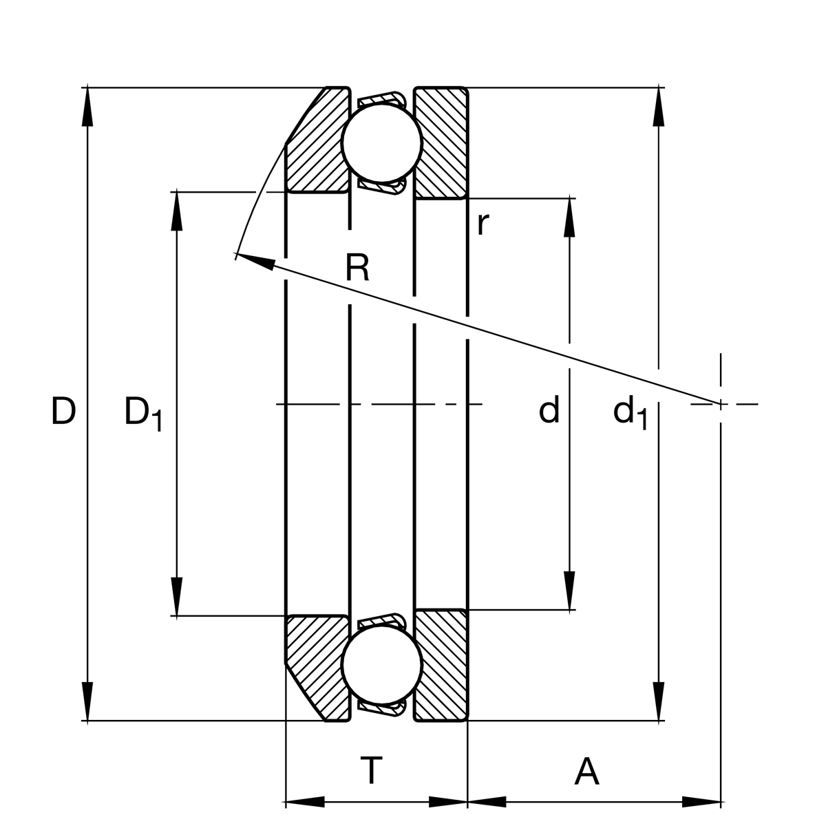
| d | 20 mm | 內徑 shaft washer |
| D | 40 mm | 外徑 軸承座 washer |
| T | 14.7 mm | 高度 |
| Ca | 21,100 N | 基本額定動載荷,軸向 |
| C0a | 37,500 N | 基本額定靜態載荷,軸向 |
| Cua | 1,700 N | 疲勞負荷極限,軸向 |
| nG | 8,500 1/min | 極限轉速 |
| nϑr | 11,600 1/min | 參考轉速 |
| ≈m | 0.08 kg | 重量 |
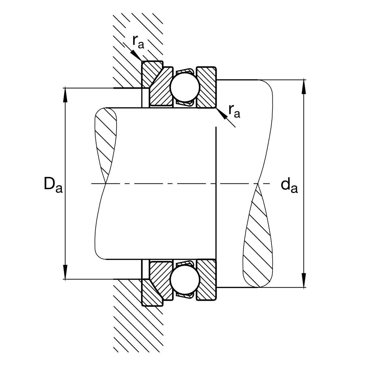
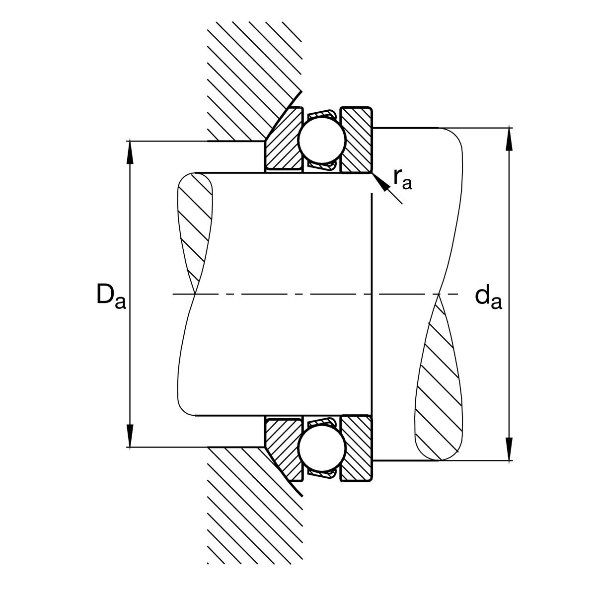
| da min | 32 mm | 軸肩最小直徑 |
| Da max | 30 mm | 殼肩最大直徑 |
| ra max | 0.6 mm | Maximum filled radius |
| rmin | 0.6 mm | 最小倒角尺寸 |
| D1 | 22 mm | 內徑 軸承座 washer |
| d1 | 40 mm | 外徑 shaft washer |
| R | 36 mm | Radius 球形 軸承座 washer |
| A | 18 mm | 中心點距離 |
| T1 | 17 mm | Height with seat washer |
| Tmin | -30 °C | 最低工作溫度 |
| Tmax | 150 °C | 最高操作溫度 |
| A | 0.007 | Minimum load factor |
U204 | Seat washer |
| Cage | JP | 沖壓鋼板 |
| Tolerance class | PN | 正常(PN) |