PRODUCTS
- 首頁
- 產品介紹
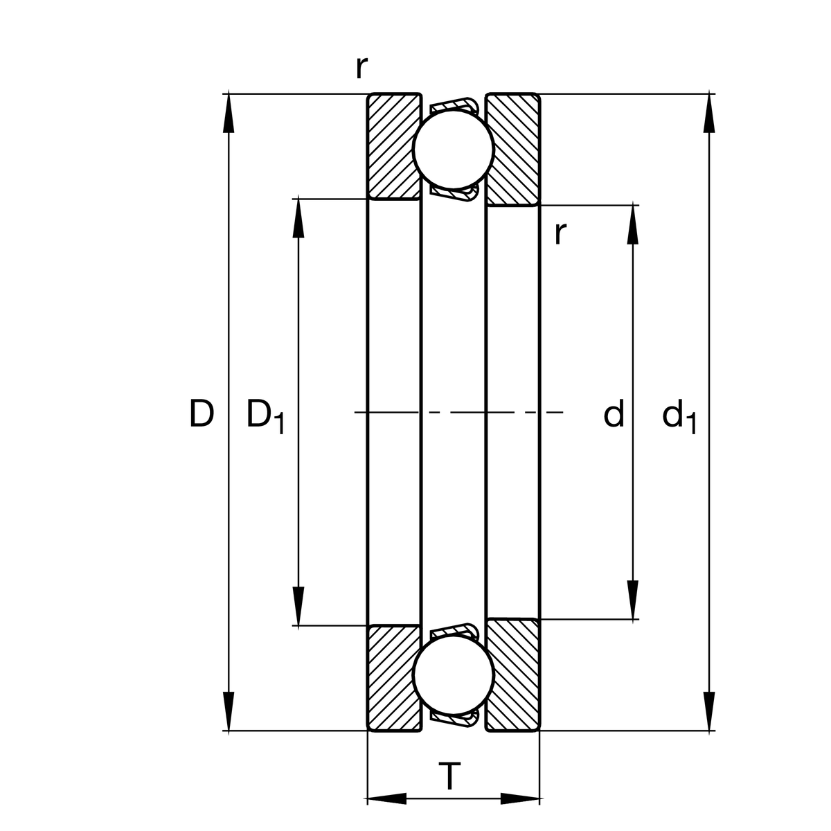
| d | 20 mm | 內徑 shaft washer |
| D | 35 mm | 外徑 軸承座 washer |
| T | 10 mm | 高度 |
| Ca | 15,000 N | 基本額定動載荷,軸向 |
| C0a | 26,500 N | 基本額定靜態載荷,軸向 |
| Cua | 1,210 N | 疲勞負荷極限,軸向 |
| nG | 10,900 1/min | 極限轉速 |
| nϑr | 11,100 1/min | 參考轉速 |
| ≈m | 40 g | 重量 |
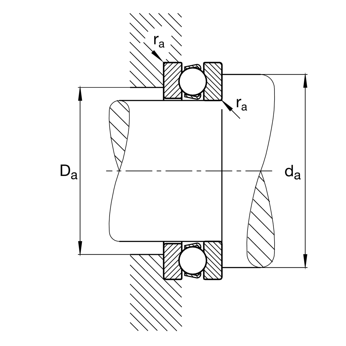
| da min | 29 mm | 軸肩最小直徑 |
| Da max | 26 mm | 殼肩最大直徑 |
| ra max | 0.3 mm | Maximum filled radius |
| rmin | 0.3 mm | 最小倒角尺寸 |
| D1 | 21 mm | 內徑 軸承座 washer |
| d1 | 35 mm | 外徑 shaft washer |
| Tmin | -30 °C | 最低工作溫度 |
| Tmax | 150 °C | 最高操作溫度 |
| A | 0.004 | Minimum load factor |
| Cage | JP | 沖壓鋼板 |
| Tolerance class | PN | 正常(PN) |