PRODUCTS
- 首頁
- 產品介紹
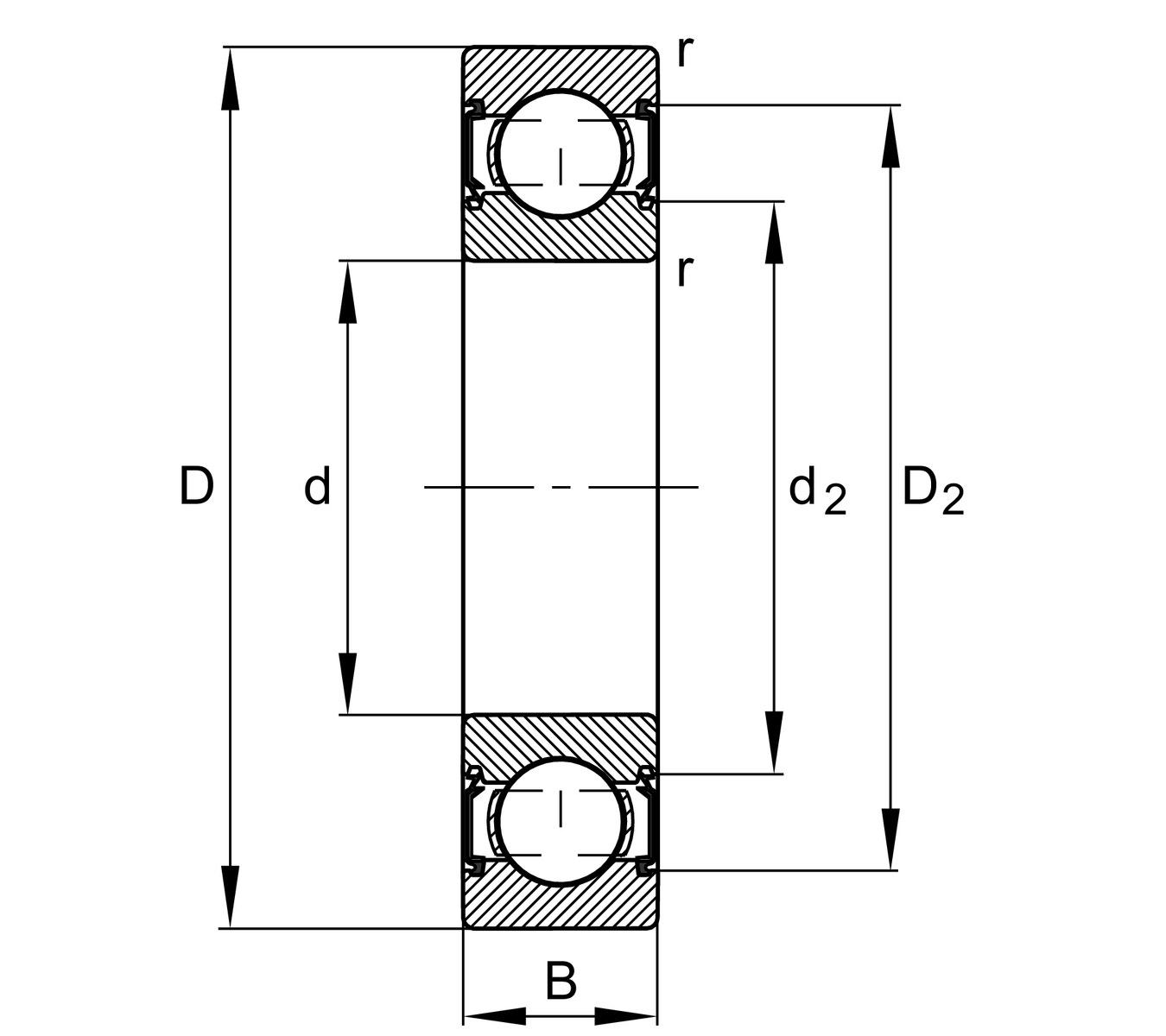
| d | 17 mm | 內徑 |
| D | 40 mm | 外徑 |
| B | 12 mm | 寬度 |
| Cr | 11,000 N | 基本額定動載荷,徑向 |
| C0r | 4,750 N | 基本額定靜態負荷,徑向 |
| Cur | 330 N | 疲勞負載極限,徑向 |
| nG | 16,900 1/min | 極限轉速 |
| ≈m | 0.064 kg | 重量 |
| da min | 21.2 mm | 軸肩最小直徑 |
| Da max | 35.8 mm | 殼肩最大直徑 |
| ra max | 0.6 mm | 最大圓角半徑 |
| rmin | 0.6 mm | 最小倒角尺寸 |
| D1 | 32.9 mm | 外圈肩徑 |
| D2 | 34.84 mm | 量測外圈直徑 |
| d1 | 24.13 mm | 內圈肩徑 |
| d2 | 22.97 mm | 量測內圈直徑 |
| Tmin | -30 °C | 最低工作溫度 |
| Tmax | 100 °C | 最高操作溫度 |
| f0 | 13 | 計算參數 |
| Changed internal design | C | GenerationC |
| Sealing | 2HRS | 兩側接觸式密封 |
| Cage | JN | 沖壓鋼板 |
| Tolerance class | P6 | 6級(P6),優於PN |
| Dimensional / heat stabilization | SN | 環尺寸穩定達 120° |
| Lubricant | L091 | Grease (L091/customer specific) |
| Bore type | Z | 圓柱 |
| Radial internal clearance | C3 (Group 3) | 內部間隙大於CN |