INA
AMS110
Locknut socketadapter for precision locknuts AM AMS110
加入詢價
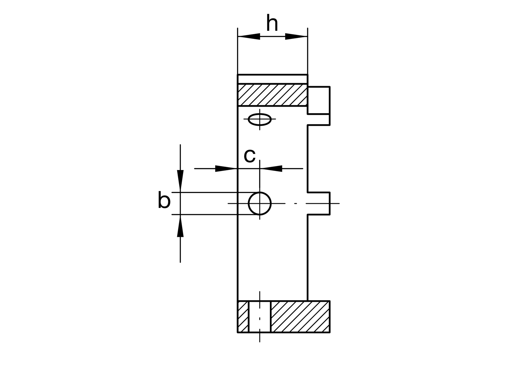
尺寸
| D | 130 mm | 外徑 |
| h | 25 mm | 高度 |
| d | 110 mm | 內徑 |
| B | 10 mm | Groove width |
| b | 8 mm | 內徑 through hole |
| H11 | 內徑 through hole fit |
| c | 10 mm | Distance bore |
| t | 4 mm | groove depth |
| ≈m | 0.711 kg | 重量 |
附加資訊
| AM100, AM110 | Suitable nut |
加入詢價
Locknut socketadapter for precision locknuts AM AMS110
已將您選擇的品項
加入詢價清單
非常感謝您!
選擇更多商品
瀏覽詢價清單