PRODUCTS
- 首頁
- 產品介紹
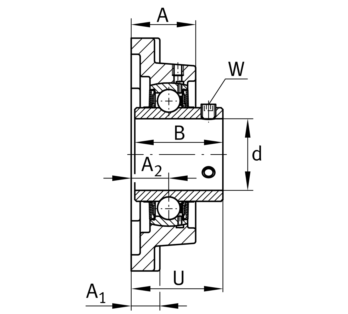
| d | 80.962 mm | 內徑 |
| L | 208 mm | 法蘭寬度 |
| U | 83.3 mm | 總高度單位 |
| Cr | 76,000 N | 基本額定動載荷,徑向 |
| C0r | 54,000 N | 基本額定靜態負荷,徑向 |
| Cur | 2,190 N | 疲勞負載極限,徑向 |
| ≈m | 7.3 kg | 重量 |
| J | 165 mm | 固定內孔距離 |
| N | 23 mm | 固定內徑 |
| N1 | 165 mm | 固定內孔距離 |
| n | 4 | 螺絲孔數 |
| A | 58 mm | 外殼高度 |
| A1 | 24 mm | 厚度 of flange |
| A2 | 34 mm | 滾道距離 |
| B | 83.3 mm | 寬度 |
| Q | M6 | 用於潤滑的連接螺紋 |
1 | 外殼數量 | |
F216 | 軸承座 | |
UC216-51 | 軸承型號 |
| Tmin | -20 °C | 最低工作溫度 |
| Tmax | 120 °C | 最高操作溫度 |
| Material | GG | 灰鑄鐵 |