PRODUCTS
- 首頁
- 產品介紹
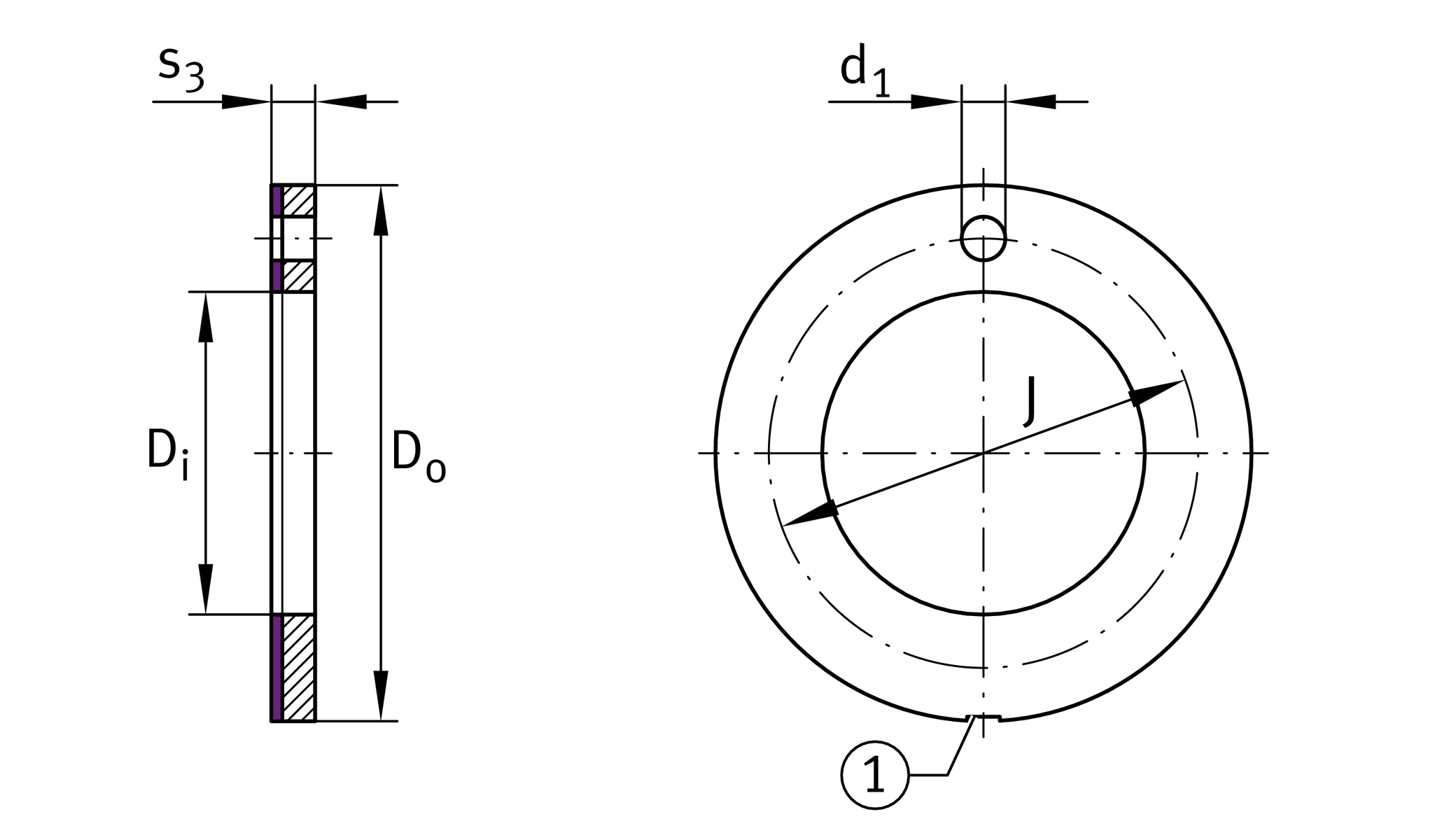
| Di | 18 mm | 內徑 |
| s3 | 1.5 mm | 壁厚 |
| Ca | 77,000 N | 基本額定動載荷,軸向 |
| C0a | 137,000 N | 基本額定靜態載荷,軸向 |
| Do | 32 mm | 外徑 |
| ≈m | 6.437 g | 重量 |
| J | 25 mm | Pitch circle |
| d1 | 2 mm | Fixing hole diameter |
| ta | 1 mm | Mounting dimension |
| d6a | 32 mm | Mounting dimension d_6a |
| Di OT | 0.25 mm | 內徑, 公差上限 |
| Di UT | 0 mm | 內徑, 較低的公差 |
| Do OT | 0 mm | 外徑、公差上限 |
| Do UT | -0.25 mm | 外徑,公差下限 |
| s3 OT | 0 mm | 壁厚、公差上限 |
| s3 UT | -0.05 mm | 壁厚、公差下限 |
| JOT | 0.12 mm | Pitch circle, 公差上限 |
| JUT | -0.12 mm | Pitch circle, 較低的公差 |
| d1 OT | 0.4 mm | Fixing hole diameter, 公差上限 |
| d1 UT | 0.1 mm | Fixing hole diameter, 較低的公差 |
| ta OT | 0.2 mm | Mounting dimension, 公差上限 |
| ta UT | -0.2 mm | Mounting dimension, 較低的公差 |
| d6a OT | 0.12 mm | Mounting dimension d_6a, 公差上限 |
| d6a UT | 0 mm | Mounting dimension d_6a, 較低的公差 |
| Tmin | -200 °C | 最低工作溫度 |
| Tmax | 280 °C | 最高操作溫度 |
| Material sliding Layer | E40 | 免維護滑動層E40 |
| Material back | Steel |