PRODUCTS
- 首頁
- 產品介紹
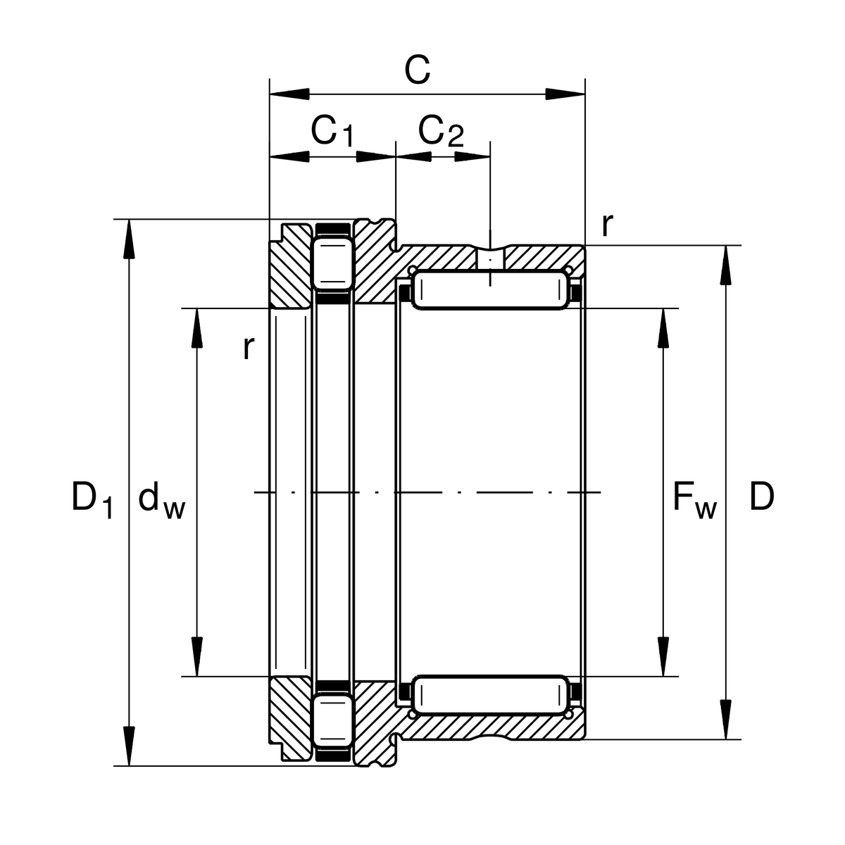
| Fw | 15 mm | 內徑 |
| D | 24 mm | 外徑 |
| C | 23 mm | 高度 |
| Cr | 12,100 N | 基本額定動載荷,徑向 |
| C0r | 12,700 N | 基本額定靜態負荷,徑向 |
| Ca | 14,400 N | 基本額定動載荷,軸向 |
| C0a | 28,500 N | 基本額定靜態載荷,軸向 |
| Cur | 2,360 N | 疲勞負載極限,徑向 |
| Cua | 4,050 N | 疲勞負荷極限,軸向 |
| nG | 13,000 1/min | 極限轉速 |
| nϑr | 6,500 1/min | 參考轉速 |
| ≈m | 41.38 g | 重量 |
| da | 23.7 mm | Mounting dimension shaft shoulder |
| ra max | 0.3 mm | 最大凹槽半徑 |
| D1 max | 28.1 mm | Maximum outerside diameter flange |
| C1 | 9 mm | Width of the axial brearing component |
| C2 | 6.5 mm | 至潤滑孔距離 |
| dw | 15 mm | 內徑 of shaft washer |
| rmin | 0.3 mm | 最小倒角尺寸 |
| Tmin | -30 °C | 最低工作溫度 |
| Tmax | 120 °C | 最高操作溫度 |
IR12X15X16-XL | Suitable inner rings IR |
| Sealing | 沒有 | |
| Tolerance class | PN | 正常(PN) |